di nuovo a
motoruf
Warenkorb

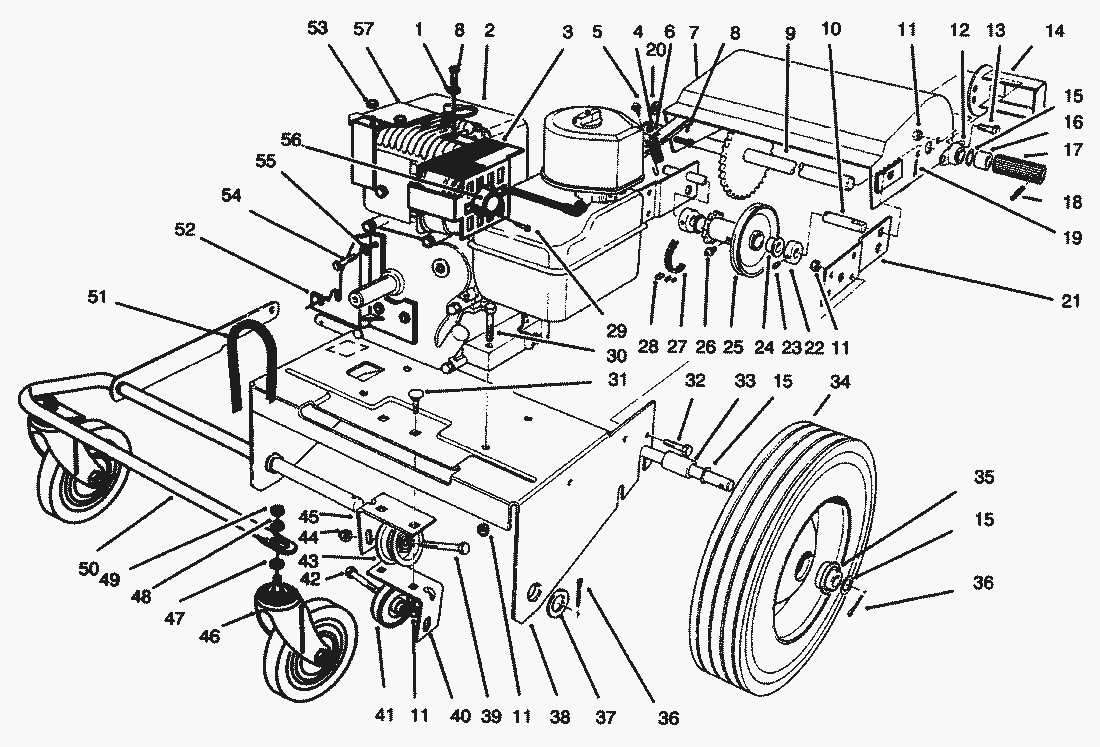
Liste dei pezzi di ricambio per Toro




Liste dei pezzi di ricambio


pos.descrizioneNĂºmero de pieza
4020-8690
4112-5820
42323-19
4312-6700
443296-39
4520-8680
4623-3320
473254-4
483217-9
493296-23
5093-4146
5120-5990
5293-7414
533296-58
543210-2
553253-4
5693-8721
5739-4680
Toro
Condizioni generali di contratto
(C) by motoruf