di nuovo a
>
>
>
>
>
>
>
>
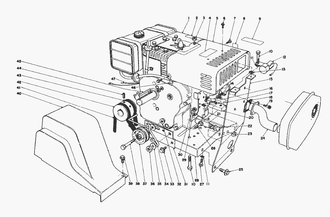
Liste dei pezzi di ricambio per Toro
pos.
descrizione
NĂºmero de pieza
1
221-640
2
41-8540
3
32153-3
4
29-6390
5
39-1780
6
12-3270
7
32144-12
8
29-6400
9
42-1740
10
322-9
11
3254-2
12
41-8610
13
25-1600
14
32140-70
15
39-1740
16
3254-10
17
3296-1
18
39-1810
19
3274-12
20
22-8960
21
289-20
22
2884
23
3290433
24
39-1800
25
323-6
26
3231-27
27
322-3
28
43-7510
29
3256-23
30
3296-29
31
41-8580
32
3290-357
33
32144-15
34
41-8590
35
3256-24
36
32146-2
37
244-63
38
323-8
39
32144-10
40
17-6550
41
26-9670
42
214100
43
17-6540
44
3246-14
45
5-0930
46
39-1790
47
36-7490
25-9150
Toro
Condizioni generali di contratto
(C) by motoruf