di nuovo a
>
>
>
>
>
>
>
Liste dei pezzi di ricambio per Toro
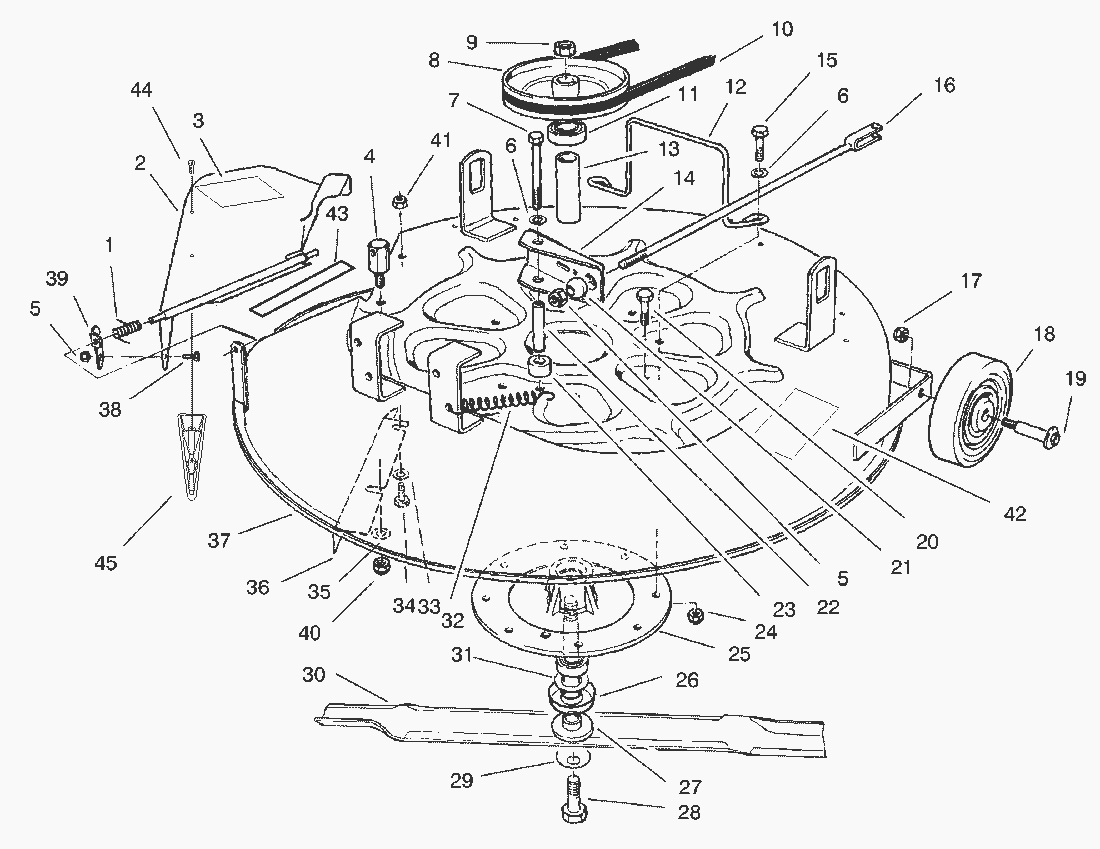
pos.
descrizione
Número de pieza
16-2199
pos.
descrizione
Número de pieza
1
28-8010
2
93-9492
3
93-7010
4
67-0140
5
3296-8
6
3256-23
7
322-19
8
80-4420
9
3219-6
10
67-1390
11
38-7820
12
80-4520
13
62-3660
14
67-1370
15
322-6
16
67-0570
17
3296-39
18
61-9760
19
56-6590
20
322-3
21
67-0710
22
67-0730
23
76-3810
24
3296-29
25
67-0970
26
80-4360
27
80-4340
28
26-0671
29
3290-465
30
67-0200
31
80-4380
32
67-1440
33
3256-22
34
3234-21
35
3256-24
36
67-0130-01
38
321-5
39
67-1600-01
40
3296-59
41
3296-42
42
93-7010
43
93-7009
44
32144-111
45
93-7696
Toro
Condizioni generali di contratto
(C) by motoruf