di nuovo a
>
>
>
>
>
>
>
>
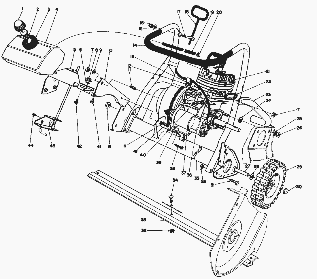
Liste dei pezzi di ricambio per Toro
pos.
descrizione
NĂºmero de pieza
1
42-0680
2
20-4620
3
25-1610
4
39-8670
5
49-1550
6
3290-244
7
32152-4
8
32128-30
9
7-3315
10
49-1570
11
38-8710
12
32144-10
13
2412-65
14
49-1360
15
3-7501
16
32111-7
17
52-7120
18
49-1600
19
49-2480
20
2412-86
21
221-752
22
23-3810
23
52-7200
24
4-2390
25
3256-23
26
3296-29
27
27-0060
28
3256-24
29
23-3250
30
3290-320
31
322-3
32
32149-2
33
23-3170
34
52-7130
35
49-1540
36
28-9120
37
3290-379
38
32144-26
39
51-2990
40
3296-42
41
3234-23
42
12-3270
43
39-0840
44
12-5450
11-7879
Toro
Condizioni generali di contratto
(C) by motoruf