di nuovo a
motoruf
Warenkorb

Liste dei pezzi di ricambio per Toro




Liste dei pezzi di ricambio


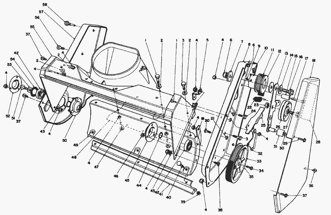
pos.descrizioneNĂºmero de pieza
1321-6
23256-22
3321-4
43296-42
555-9430
63296-29
75-4460
855-8850
93245-41
103241-7
1155-9300
1255-9180
1312-8279
1425-5640
1555-9530
1627-0410
17321-13
1855-9010
1956-2610
203274-31
2155-9620
2255-9280
2332152-2
24322-3
2555-9550
2655-9290
27323-29
2860-9480
2936-3860
Toro
Condizioni generali di contratto
(C) by motoruf