di nuovo a
motoruf
Warenkorb

Liste dei pezzi di ricambio per Toro




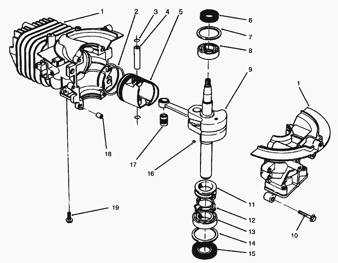
pos.descrizioneNúmero de pieza
12-2479
Liste dei pezzi di ricambio


pos.descrizioneNúmero de pieza
181-0350
281-0590
381-0620
481-0600
581-2140
681-0720
781-0710
881-0690
981-5700
1081-0540
1181-0770
1281-0750
1381-0700
1481-0730
1581-0740
1681-0760
1781-0610
1881-0520
1981-0570
Toro
Condizioni generali di contratto
(C) by motoruf