di nuovo a
>
>
>
>
>
>
>
Liste dei pezzi di ricambio per Toro
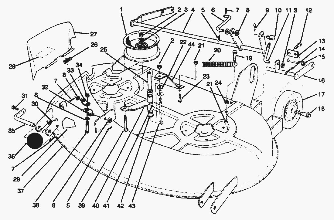
pos.
descrizione
NĂºmero de pieza
1
78-8250
2
3296-39
3
3256-24
4
78-8011
5
3272-21
6
78-8071
7
9335064
8
3256-26
9
933504
10
110656
11
121010
12
926715
13
78-6400
14
3272-6
15
33146-2
16
78-7991
17
110506
18
5188
19
322-6
20
78-6210
21
3296-29
22
2844
23
322-3
24
3217-6
25
109950
26
119691
27
92-5788
28
54-9220
29
66-1340
30
3296-42
31
321-4
32
86-9240
33
86-9250
34
3218-5
35
118960
36
29-4820
37
92-8015
38
325-13
39
323-10
40
78-3370
41
302-26
42
109859
43
323-16
44
78-8091
Toro
Condizioni generali di contratto
(C) by motoruf