di nuovo a
motoruf
Warenkorb

Liste dei pezzi di ricambio per Toro




pos.descrizioneNúmero de pieza
8-8649
Liste dei pezzi di ricambio


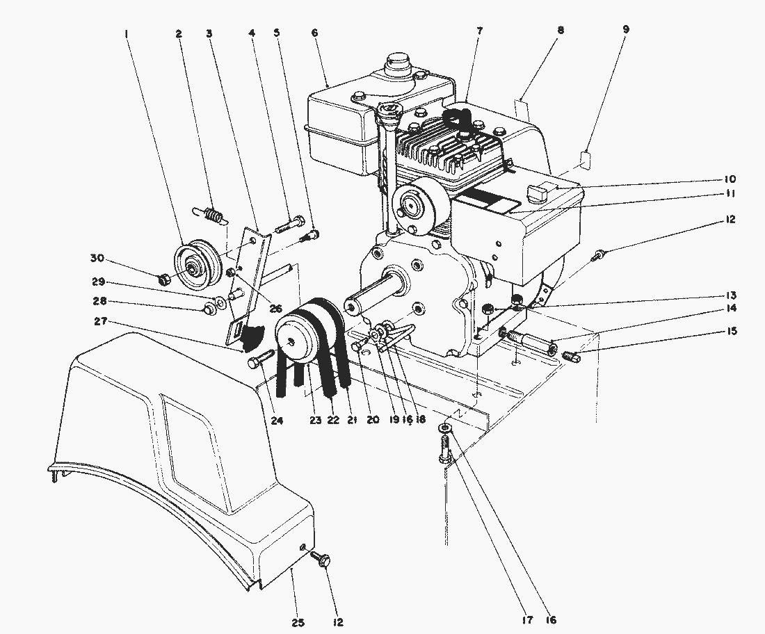
pos.descrizioneNúmero de pieza
13-4244
253-7570
4323-29
542-3560
652-2680
7
862-5760
963-2450
1039-3840
1162-7290
1232144-4
133296-29
1449-3040
15281-7
163256-23
17322-7
1837-8990
193255-8
203210-3
2137-9090
2237-9080
2343-7370
2443-7290
2537-6900
263296-56
2766-8060
283290-320
293256-24
303296-59
Toro
Condizioni generali di contratto
(C) by motoruf