di nuovo a
motoruf
Warenkorb

Liste dei pezzi di ricambio per Toro




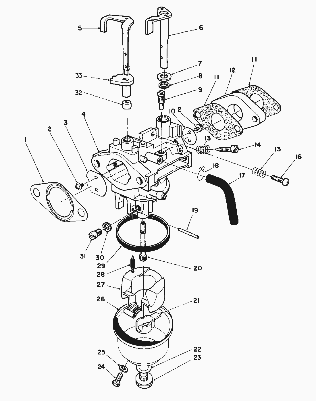
pos.descrizioneNúmero de pieza
50-5610
Liste dei pezzi di ricambio


pos.descrizioneNúmero de pieza
181-4250
281-2710
381-2720
4
581-5510
681-2920
781-4280
881-4290
981-5620
1081-2940
1181-5560
1281-5570
1381-2580
1450-2360
1650-0250
1781-4310
1881-4300
1981-5600
2081-5630
2181-4940
2281-2650
2381-2660
2481-2670
2581-2680
2681-4340
2781-4920
2881-4700
2981-2630
3081-4350
81-5640
3281-5530
3381-5520
81-4270
81-5590
Toro
Condizioni generali di contratto
(C) by motoruf