di nuovo a
motoruf
Warenkorb

Liste dei pezzi di ricambio per Toro




Liste dei pezzi di ricambio


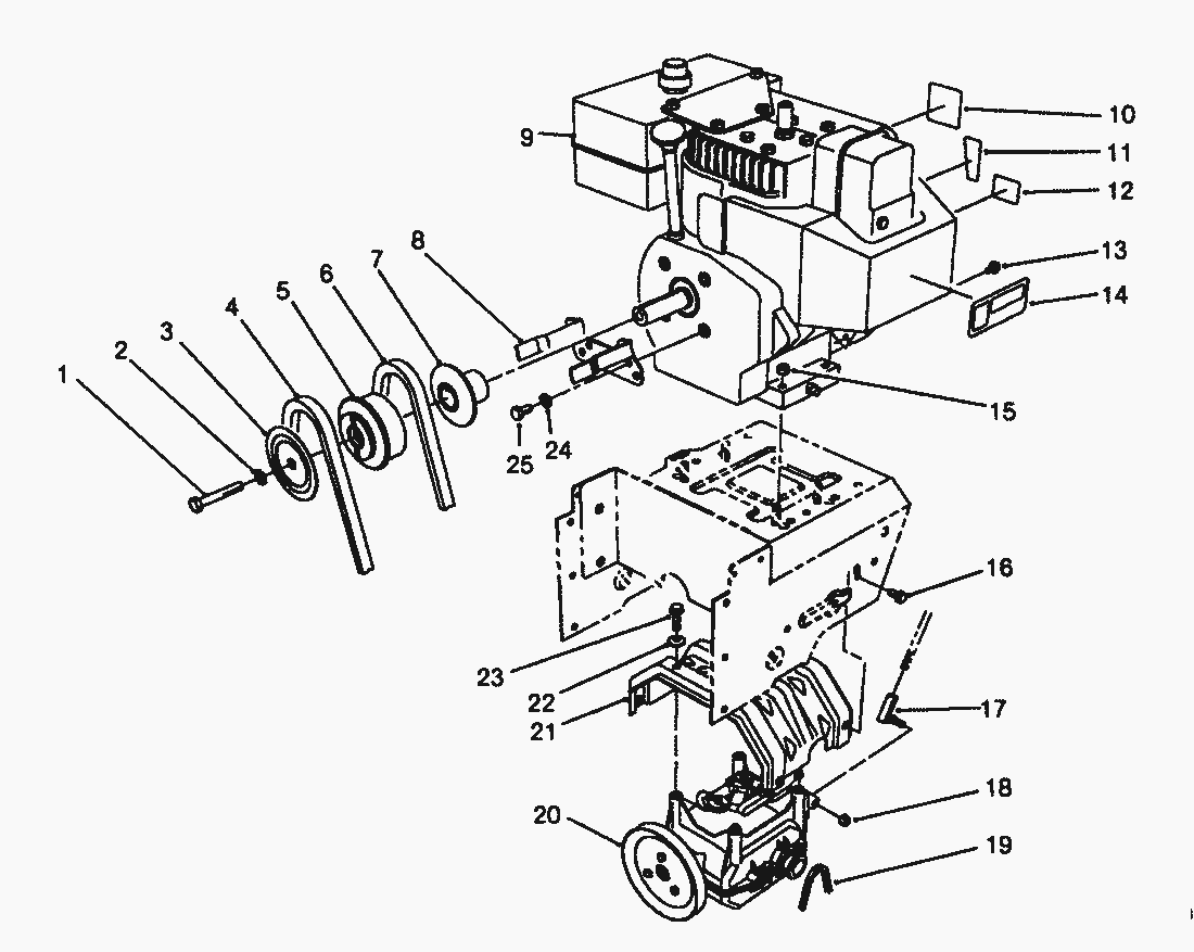
pos.descrizioneNĂºmero de pieza
13212-8
23253-6
362-0940
463-2961
562-0930
663-2951
762-0920
863-2970
9
1062-5760
1163-3190
1263-2400
63-2410
1332144-4
1462-7290
63-2310
1532128-20
163234-7
1763-2640
183296-6
1963-2940
2062-0190
2163-2990
223290-461
2311-0590
243253-4
253210-1
Toro
Condizioni generali di contratto
(C) by motoruf