di nuovo a
>
>
>
>
>
>
>
Liste dei pezzi di ricambio per Toro
Liste dei pezzi di ricambio 1
Liste dei pezzi di ricambio 2
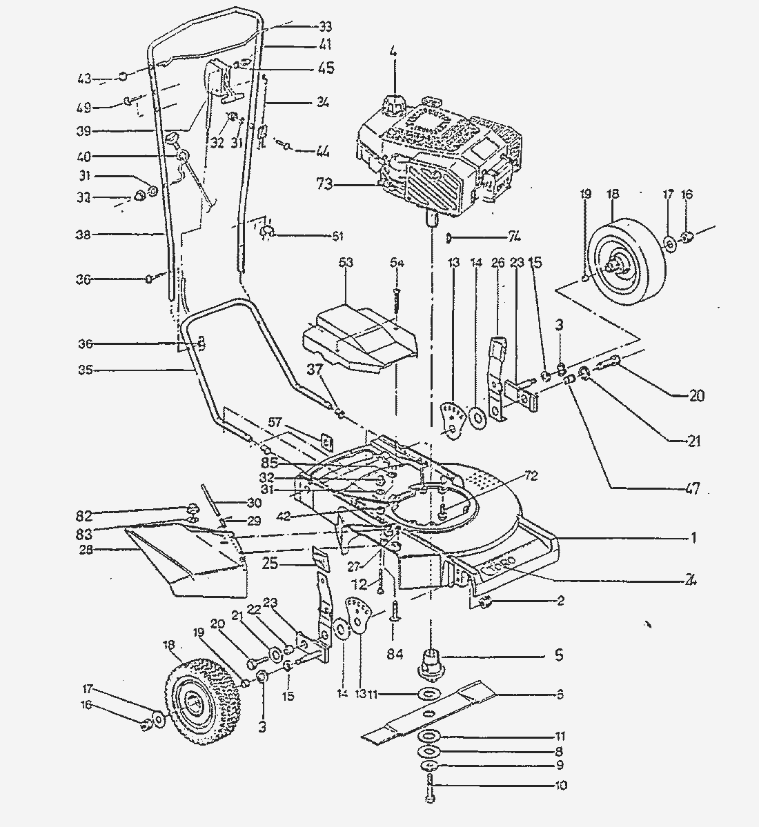
pos.
descrizione
Número de pieza
1
17663
2
10988
3
18868
4
18121
5
18420
6
17647
8
13001
9
14558
10
17778
11
07189
12
17754
13
17661
14
17708
15
03951
16
10988
17
13853
18
17732
19
07542
20
18506
21
13896
22
17735
23
18786
24
19181
25
17646
26
18832
27
18404
28
19812
29
17671
30
17672
31
07674
32
13891
33
19124
34
19136
35
17921
36
13474
37
17900
38
19054
39
19140
40
18960
41
13891
42
09711
43
19235
44
17729
45
07674
47
17736
49
12912
51
19533
53
17922
54
17703
57
17726
72
12371
73
19307
74
18964
82
18450
83
06179
84
18589
85
01414
pos.
descrizione
Número de pieza
120
17610
121
17611
122
18391
123
18390
124
18591
125
12836
126
07193
127
07097
128
03660
129
05338
130
17730
131
07021
132
18392
133
17893
134
18393
135
18389
136
11717
137
09709
Toro
Condizioni generali di contratto
(C) by motoruf