di nuovo a
motoruf
Warenkorb

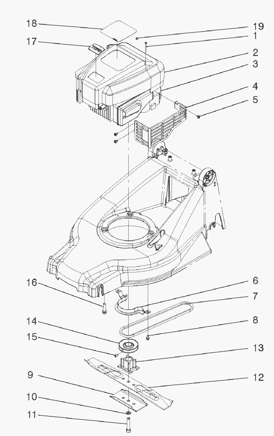
Liste dei pezzi di ricambio per Toro




Liste dei pezzi di ricambio


pos.descrizioneNĂºmero de pieza
3100-4373
6100-1523-03
793-0232
832144-4
980-0510-03
103253-22
11100-4368
1271-9260-03
1399-6467
14100-1102
15104-0214
1632144-102
1792-2289
18100-5951
192210-316
2093-7198
Toro
Condizioni generali di contratto
(C) by motoruf