di nuovo a
motoruf
Warenkorb

Liste dei pezzi di ricambio per Toro




Liste dei pezzi di ricambio


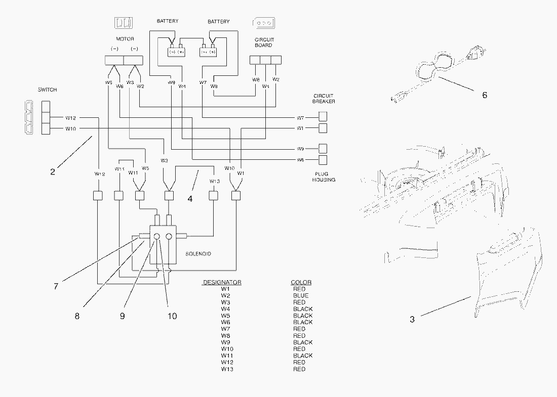
pos.descrizioneNĂºmero de pieza
95-5158
295-5048
395-5020
495-3254
95-5159
695-5038
73220-2
83253-4
93219-27
103253-25
Toro
Condizioni generali di contratto
(C) by motoruf