di nuovo a
motoruf
Warenkorb

Liste dei pezzi di ricambio per Toro




Liste dei pezzi di ricambio


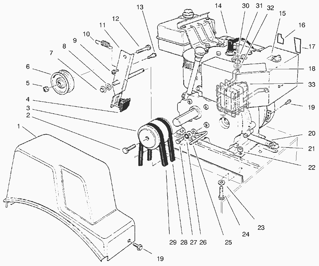
pos.descrizioneNĂºmero de pieza
137-6900
243-7290
374-1370
466-8060
53296-59
63-4244
73290-320
83256-24
93296-56
1053-7570
1114-7959
12323-29
1342-3560
14
1563-2420
63-2430
1662-5760
94-2572
1763-2450
1866-6840
94-2576
1932144-4
20289-9
Toro
Condizioni generali di contratto
(C) by motoruf