di nuovo a
motoruf
Warenkorb

Liste dei pezzi di ricambio per Toro




Liste dei pezzi di ricambio


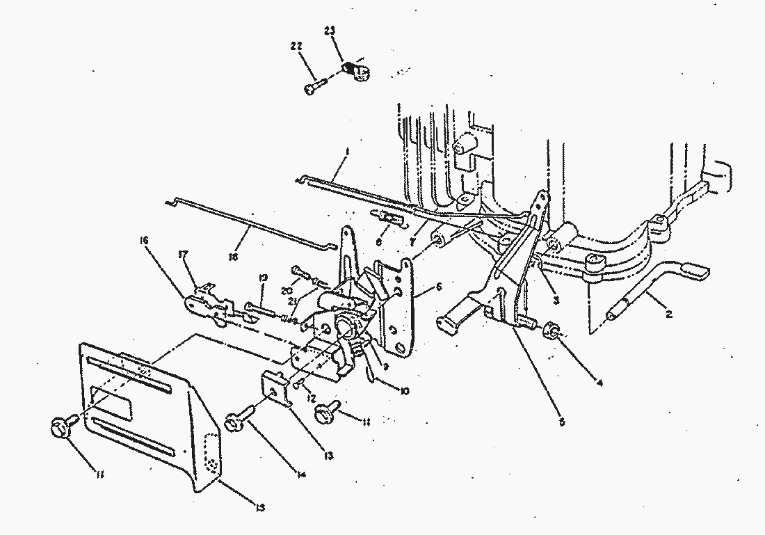
pos.descrizioneNĂºmero de pieza
181-4450
281-4480
381-4540
481-3760
581-4500
681-4510
781-4470
881-4460
981-4570
1081-4520
1181-1170
1281-4530
1381-1690
1450-0130
1557-5750
1681-1830
1781-1840
1881-4440
1981-4560
2081-4550
2181-2900
2281-0380
2381-1480
Toro
Condizioni generali di contratto
(C) by motoruf