di nuovo a
>
>
>
>
>
>
>
Liste dei pezzi di ricambio per Toro
pos.
descrizione
NĂºmero de pieza
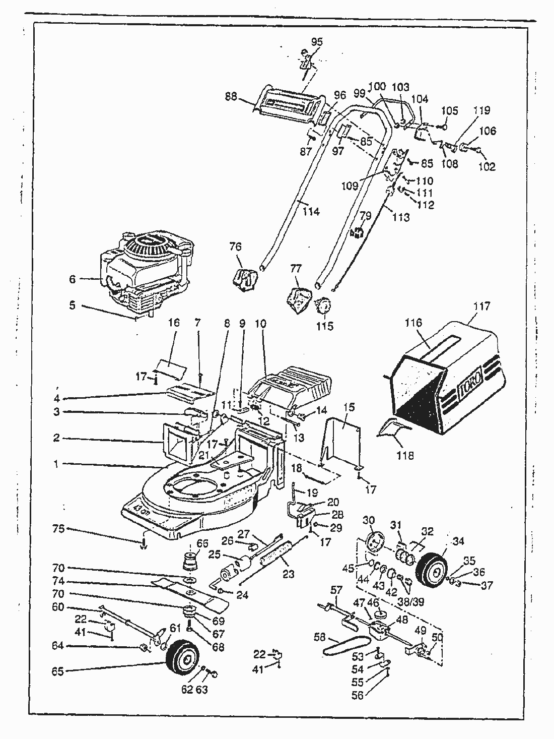
1
18175
2
18547
3
71-7930
4
71-7860
5
18427
6
18374
7
32144-97
8
3284-5
9
18481
10
18313
11
18311
12
18312
13
18309
14
18460
15
18302
16
18301
17
12393
18
18310
19
18307
20
18308
21
18314
22
18303
23
71-7740
24
32112-11
25
71-8450
26
71-7980
27
18305
28
18306
29
32112-13
30
18377
31
13072
32
07729
34
17552
35
07542
36
13853
37
10988
38
12619
39
12620
42
12558
43
13340
44
03899
45
17711
46
18466
47
18209
48
18592
49
18513
50
07542
53
06691
54
18548
55
10774
56
06242
57
18514
58
18375
60
18284
61
40-1940
62
18459
63
27-6230
64
52-3620
65
18304
66
18942
67
14558
68
01429
69
13001
70
07189
74
18317
75
12371
76
18319
77
18318
79
18371
85
32144-97
87
32144-98
88
18774
95
49-8186
96
71-8040
97
71-8130
99
46-9900
100
3296-29
102
17-9426
103
3296-42
104
46-8800
105
312-3
106
66-0330
108
18370
109
71-7680
110
32104-121
111
71-7630
112
32144-99
113
18383
114
18676
115
19-4050
116
18321
117
18322
118
18323
119
46-5520
Toro
Condizioni generali di contratto
(C) by motoruf