di nuovo a
motoruf
Warenkorb

Liste dei pezzi di ricambio per Toro




Liste dei pezzi di ricambio


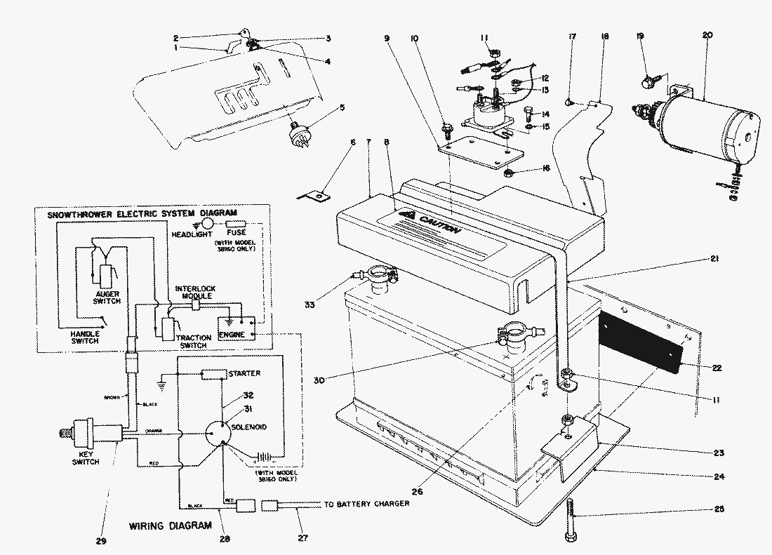
pos.descrizioneNĂºmero de pieza
138-0640
233-2010
3218-461
43254-5
542-3990
622-9060
78-2839
838-0630
922-8880
1032144-10
113217-6
123219-14
133254-1
14321-2
153255-7
163296-42
1732108-57
1820-7060
1932140-45
20
2122-8850
2224-6150
2322-8870
2422-8830
25322-10
263290-378
2729-7830
2829-7820
2942-4000
3022-9320
316-1600
3222-9310
3322-9330
26-3870
26-7140
Toro
Condizioni generali di contratto
(C) by motoruf