di nuovo a
>
>
>
>
>
>
>
>
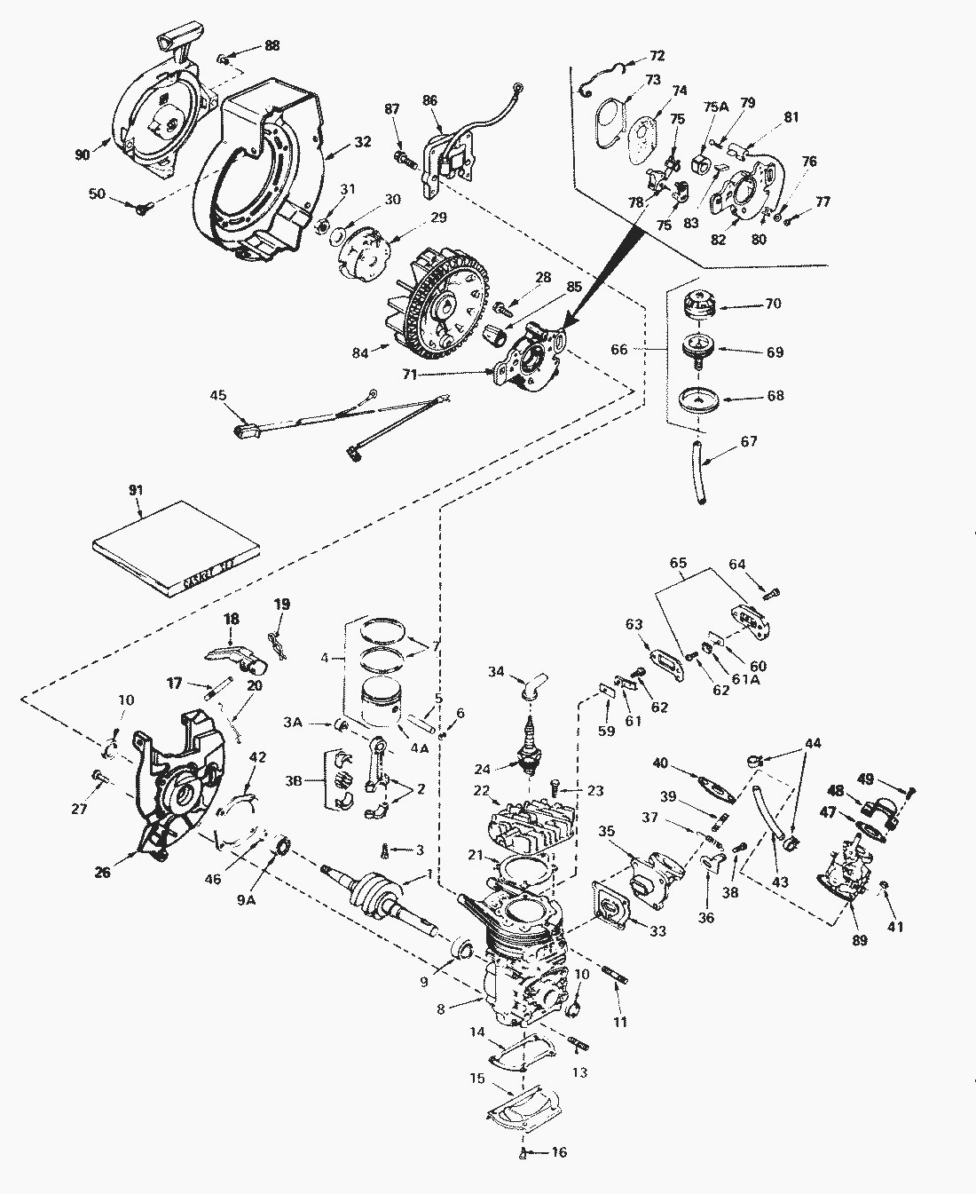
Liste dei pezzi di ricambio per Toro
pos.
descrizione
Número de pieza
350402
570627
570629A
34431
310244
310259
570437A
pos.
descrizione
Número de pieza
1
290497
3
650633
3
530104A
3
530149
4
310230B
5
310178
6
310167
7
310190
8
9
530105
9
530110
10
510319
11
650801
13
650796
14
*510270
15
570370A
16
650579
17
490295
18
490296
19
490278
20
490294
21
*510274
22
250240A
23
650477
24
611005
27
650497
28
650747
29
590551
30
650763
31
650390
32
350397
33
*510312
34
610118
36
570626
37
490293
38
650576
39
650700
40
*510213
41
650457
42
*510292
43
30705
44
26460
45
611022
46
570630
47
510206
48
570434
49
650229
50
650356
59
470136
60
470135
61
470151
61
470137
62
650654
63
*510263
64
650576
67
32180B
68
32312
69
32184
70
570442A
71
611006
72
30551
73
610947
74
30883
75
30547B
75
30552
76
610385
77
610408
78
29181
79
610593
80
33356
81
30548B
82
611008
83
30549
84
611007
85
611014
87
650814
89
632142
90
590537
91
510264D
Toro
Condizioni generali di contratto
(C) by motoruf