di nuovo a
>
>
>
>
>
>
>
Liste dei pezzi di ricambio per Toro
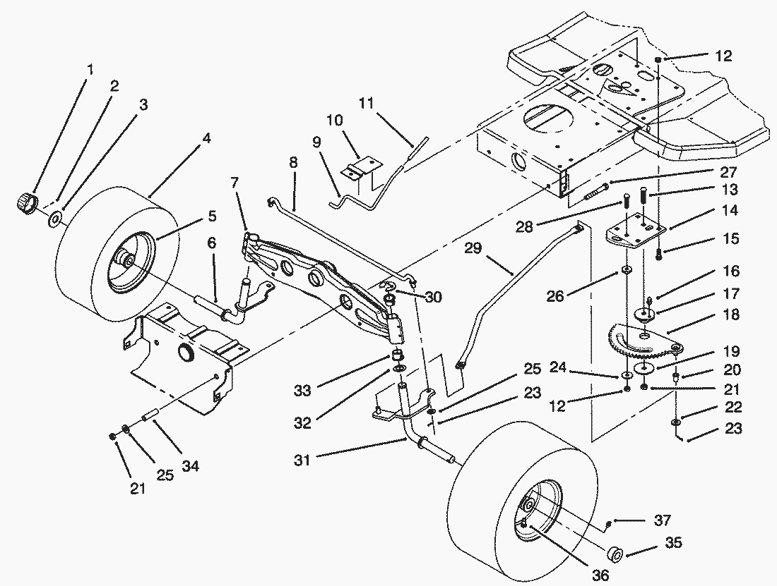
pos.
descrizione
Número de pieza
88-4280
88-4070
pos.
descrizione
Número de pieza
1
61-9780
2
3272-12
3
28-2480
5
88-4370
6
92-7889
7
88-4460
8
88-5380
9
88-5510
10
88-5520
11
88-0890
12
3296-29
13
3231-4
14
88-5130
15
3230-1
16
302-26
17
88-4670
18
88-5200
19
111419
20
52-2891
21
3296-39
22
3256-25
23
3272-10
24
5-4460
25
3256-24
26
88-5010
27
323-13
28
3230-3
29
88-4830
30
32151-48
31
92-7890
32
3-6498
33
88-5800
34
88-5470
35
88-4400
36
232-27
37
302-5
232-39
Toro
Condizioni generali di contratto
(C) by motoruf