di nuovo a
>
>
>
>
>
>
>
>
Liste dei pezzi di ricambio per Toro
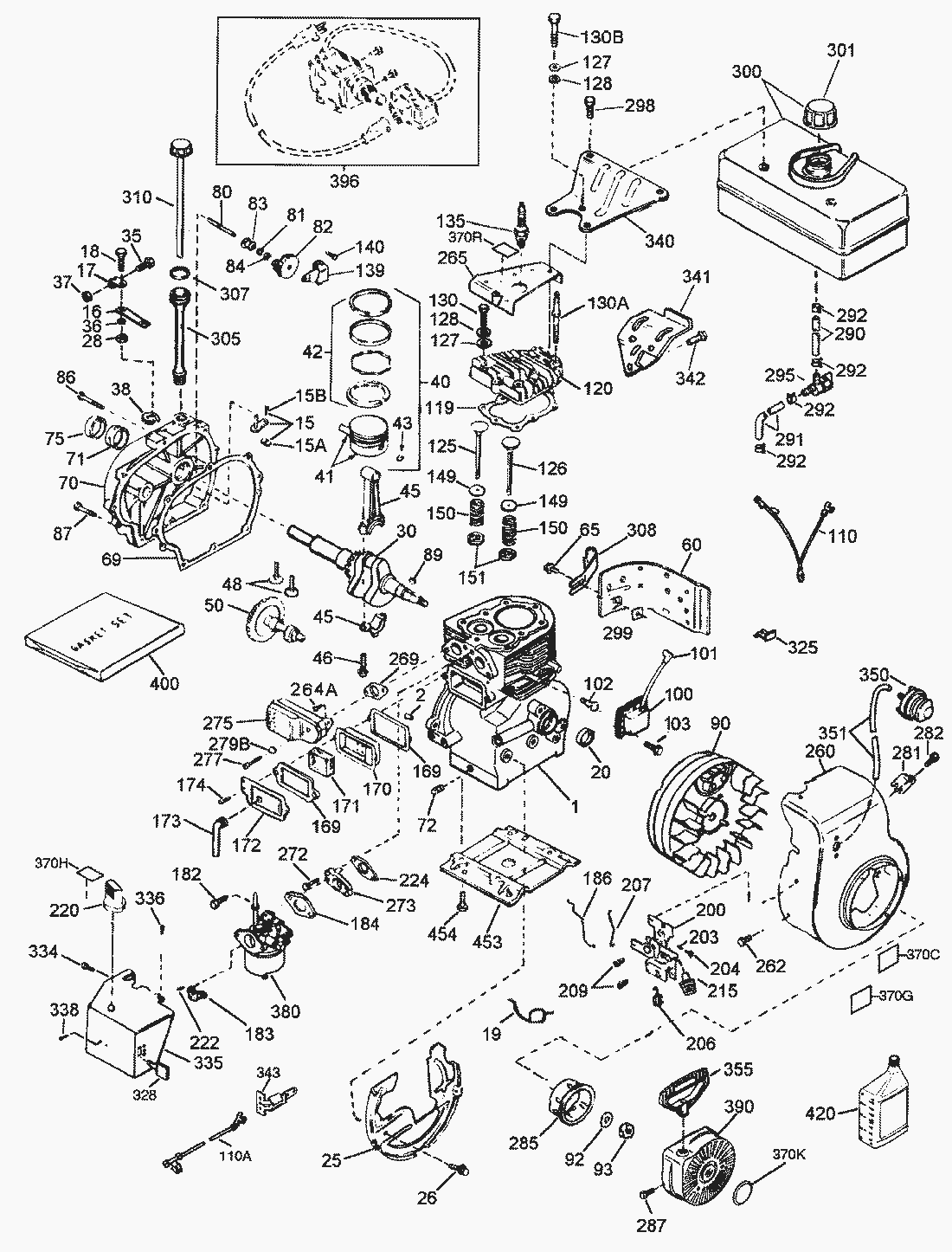
pos.
descrizione
Número de pieza
34919B
27878A
27880A
34186A
33314B
30699C
34532
33313B
33312B
31380C
31303C
pos.
descrizione
Número de pieza
2
27652
15
30700
15
650494
16
33454
17
29916
18
651028
19
34663
20
32630
25
36460
26
650561
28
30322
30
35193
35
29826
36
29918
37
29216
38
29642
40
34531
40
34533
42
34854
42
34855
42
34856
43
27888
46
650662C
48
34034
50
32115
60
30622A
65
650128
69
30684
71
31546
72
27642
75
28427
80
31845
81
30590A
82
30591
83
30588A
84
29193
86
650488
87
650493
89
32589
90
611085
92
650815
93
8116
100
34443B
101
610118
102
651024
103
651007
110
35187
110
37047
119
36445
120
36446
126
32784
126
32783
127
650691
128
650690
130
650697A
135
35395
139
31843A
140
650965
149
27882
150
27881
151
32581
169
27896A
170
28423
171
28424
172
28425
173
35350
174
650128
182
650517
183
32398
184
31688A
186
34661
200
34677
203
31342
204
651029
206
610973
207
34662
209
650821
215
35440
220
35439
222
28820
224
27915A
260
36254
262
29747B
264
30196
265
30939A
269
35865
272
30196
273
34712
275
32401
277
650694A
279
26073
281
33013
282
650760
285
35287B
287
650926
290
29774
291
30962
292
26460
295
35857
298
650665
299
650764
301
36246
305
35554
307
35499
308
35540
310
36205
325
29443
328
35062
334
650257
335
35060
336
650765
338
650760
340
34159
341
34158
342
650561
343
35079
350
570682A
351
32180C
355
590574
370
36501
370
35063
370
34418
370
36695
370
37119
380
640081
390
590742
396
33328D
400
33235A
420
730225
453
29538
454
650542
Toro
Condizioni generali di contratto
(C) by motoruf