di nuovo a
motoruf
Warenkorb

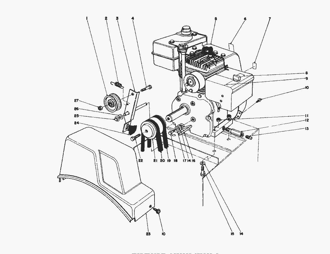
Liste dei pezzi di ricambio per Toro




pos.descrizioneNúmero de pieza
8-8649
Liste dei pezzi di ricambio


pos.descrizioneNúmero de pieza
13-4244
210-3890
4323-29
5221-754
639-3860
737-8890
839-3840
929-6390
1012-3270
113296-29
1249-3040
13281-7
143256-23
15322-7
1637-8990
173255-8
183210-3
1937-9090
2037-9080
2143-7370
2243-7290
2337-6900
2440-8140
253290-320
263256-24
2732152-2
Toro
Condizioni generali di contratto
(C) by motoruf