di nuovo a
>
>
>
>
>
>
>
>
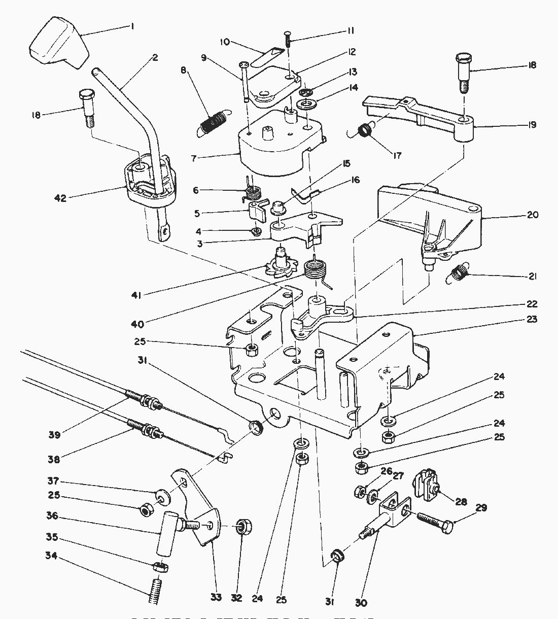
Liste dei pezzi di ricambio per Toro
pos.
descrizione
NĂºmero de pieza
1
62-1290
2
67-9240
3
62-1110
4
3290-422
5
62-0180
6
62-1650
7
62-1100
8
63-2220
9
63-2610
10
63-2480
11
32104-118
12
62-1140
13
32120-46
14
257-9
15
3290-320
16
62-1710
17
63-2240
18
63-2650
19
62-1700
20
62-1130
21
63-2230
22
62-1120
23
63-2150
24
3256-23
25
3296-29
26
3296-42
27
3256-1
28
67-9250
29
321-43
30
66-7730
31
256-296
32
3296-39
33
63-2630
34
63-2620
35
3220-3
36
63-2640
37
3290-456
38
63-2210
39
63-2200
40
63-2270
41
62-0170
42
62-1470
Toro
Condizioni generali di contratto
(C) by motoruf