di nuovo a
motoruf
Warenkorb

Liste dei pezzi di ricambio per Toro




Liste dei pezzi di ricambio


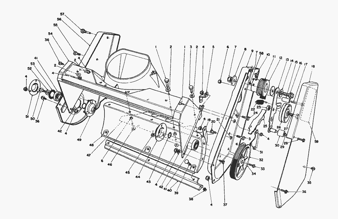
pos.descrizioneNĂºmero de pieza
2836-3860
2932112-11
3055-9520
3155-9570
3260-9320
33321-30
343290-456
3512-3270
3632105-15
3732105-8
3832149-2
393229-11
4055-8760
4138-7820
423256-67
4352-7280
4438-8620
453296-2
4632128-10
4755-9510
4855-9220
4952-9110
503234-25
5152-7290
523256-24
5352-7270
5455-8700
55322-43
5655-8840
5738-8211
583245-41
5960-9480
Toro
Condizioni generali di contratto
(C) by motoruf