di nuovo a
motoruf
Warenkorb

Liste dei pezzi di ricambio per Toro




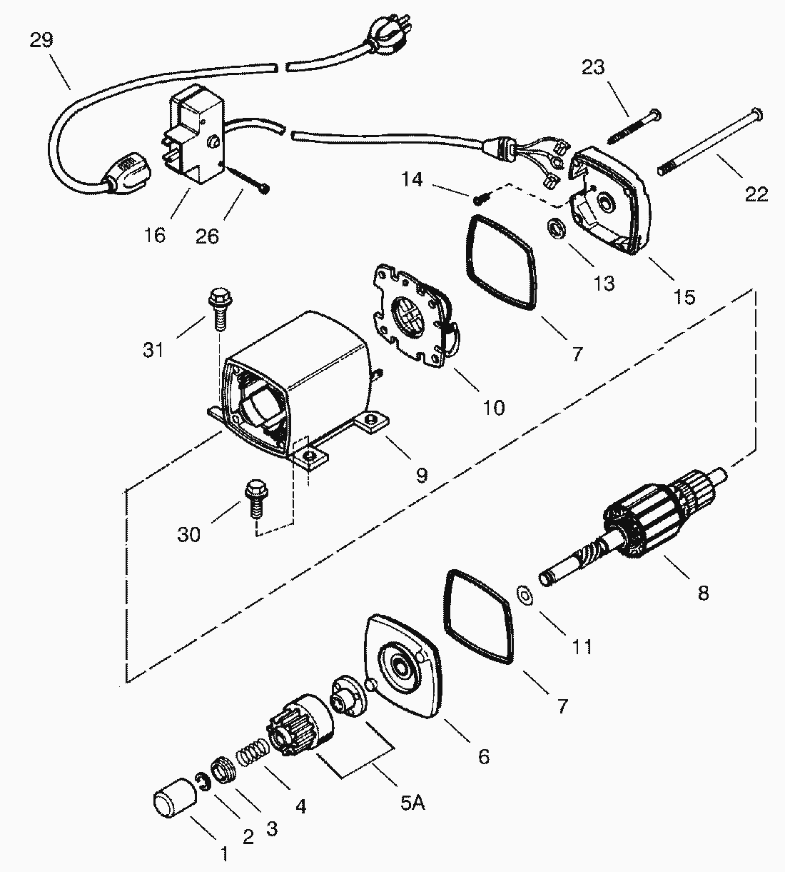
pos.descrizioneNúmero de pieza
35449
35453
Liste dei pezzi di ricambio


pos.descrizioneNúmero de pieza
133451
233842
333430
433431
537050
735450
835915
935451A
1035452A
1135911
13590500
1433441
1635454
2235455
2335456
26650819
26651032
2932450B
3030063
31650820
Toro
Condizioni generali di contratto
(C) by motoruf