di nuovo a
>
>
>
>
>
>
>
>
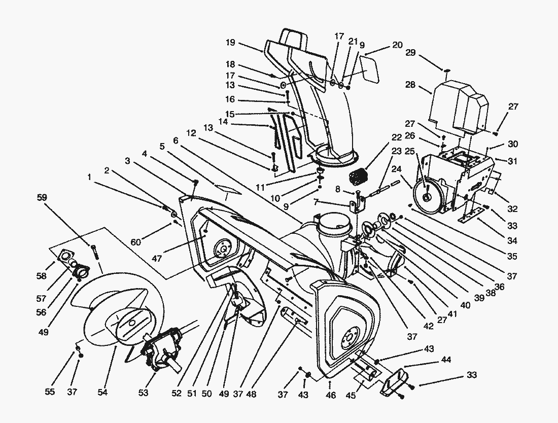
Liste dei pezzi di ricambio per Toro
pos.
descrizione
Número de pieza
62-0720
pos.
descrizione
Número de pieza
1
323-6
2
3-0750
3
66-7821
4
3234-28
5
53-7670
7
63-2180
8
3230-2
9
3296-2
10
63-2670
11
62-1430
12
63-3130
13
3274-13
14
63-3020
15
3290-326
16
3256-14
17
63-2900
18
32122-32
19
62-0840
20
63-3740
53-7660
21
3256-61
22
62-0820
23
62-1720
24
62-1300
25
3242-4
26
63-2300
27
32144-4
28
63-2080
29
63-3290
30
3269-23
31
66-6980
32
62-1440
33
3234-5
Toro
Condizioni generali di contratto
(C) by motoruf