di nuovo a
motoruf
Warenkorb

Liste dei pezzi di ricambio per Toro




Liste dei pezzi di ricambio


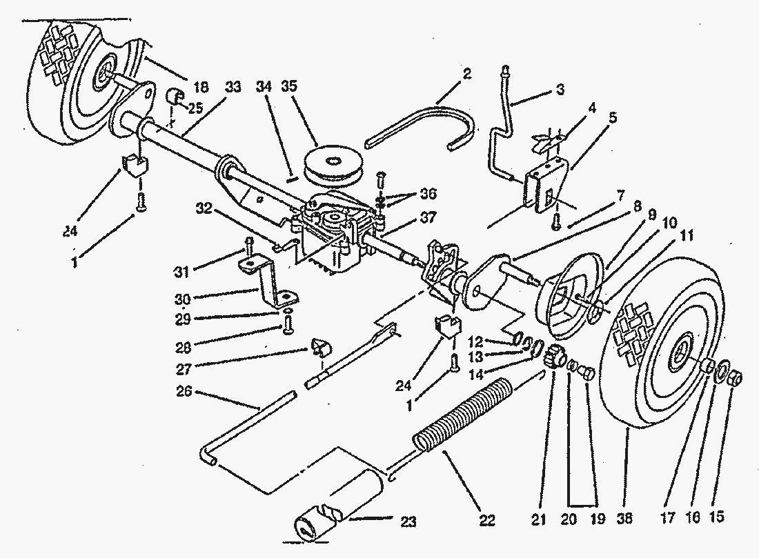
pos.descrizioneNĂºmero de pieza
118587
218375
320009
418308
518306
712393
819312
918377
1013072
1118105
1217711
1303899
1413340
1510988
1613853
1707542
1912619
2012620
2112558
2218338
2318339
2419584
2519586
2618305
2718355
2606242
2910774
3018548
3106691
3219216
3319313
3418209
3518843
3613043
3719236
3817552
Toro
Condizioni generali di contratto
(C) by motoruf