di nuovo a
>
>
>
>
>
>
>
>
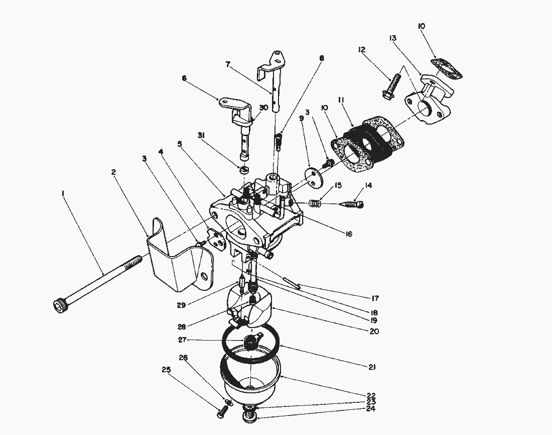
Liste dei pezzi di ricambio per Toro
pos.
descrizione
NĂºmero de pieza
1
81-0450
2
81-2700
3
81-2710
4
81-2720
5
6
81-5510
7
81-2920
8
81-2930
9
81-2940
10
81-2570
11
81-0460
12
50-6350
13
81-0470
14
50-2360
15
81-2580
16
81-2590
17
81-2600
18
81-2610
19
81-2740
20
81-4920
21
81-2630
22
81-2640
23
81-2650
24
81-2660
25
81-2670
26
81-2680
27
81-4930
28
81-1040
81-1940
29
81-4700
30
81-5520
31
81-5530
81-4690
81-2910
Toro
Condizioni generali di contratto
(C) by motoruf