di nuovo a
motoruf
Warenkorb

Liste dei pezzi di ricambio per Toro




Liste dei pezzi di ricambio


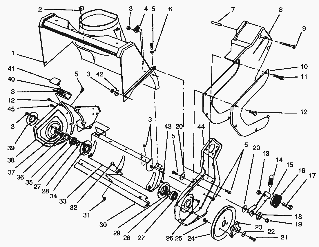
pos.descrizioneNĂºmero de pieza
155-8700
232115-14
33296-42
455-9430
5321-4
63256-22
757-3830
871-5030
971-5350
1071-5150
1136-3860
1232105-15
133296-39
1471-5470
1571-5160
1671-5260
17323-44
1880-4620
193296-56
203256-55
21321-30
223290-456
2371-5070
2471-5410
2512-3270
2632105-8
2738-7820
2852-7280
2938-8620
3071-5390
3132128-10
323229-11
3371-4930
3452-9110
3552-7270
363256-24
373234-25
3871-4920
3952-7290
4071-5310
4171-5270
423256-67
433296-2
4471-4911
45321-39
Toro
Condizioni generali di contratto
(C) by motoruf