di nuovo a
motoruf
Warenkorb

Liste dei pezzi di ricambio per Toro




pos.descrizioneNúmero de pieza
34443A
310283A
310235B
Liste dei pezzi di ricambio


pos.descrizioneNúmero de pieza
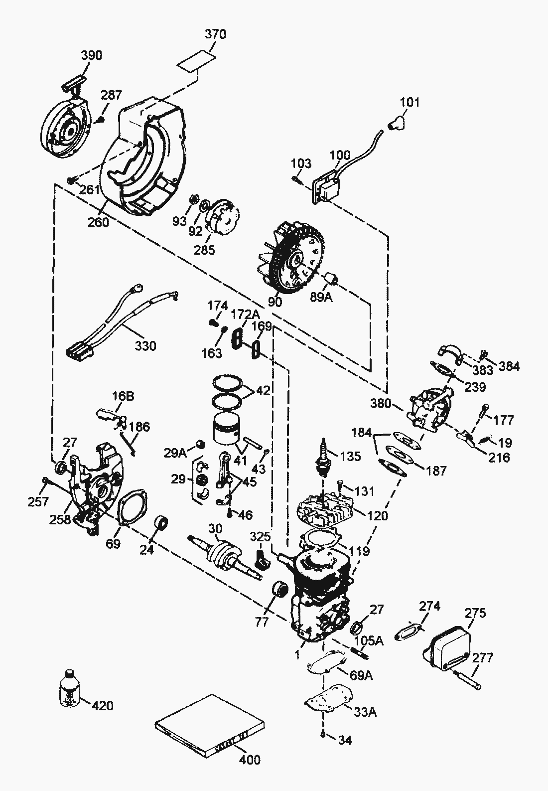
1
16490291A
19570707
24530110
27510319
29530150
29530104A
30290602
33570644
34650579
42310190
43310167
46650633
69510292A
69510323A
77530105
89611032
90611066
92650815
93650390
101610118
103650814
105650796
119510274A
120250240B
131650477
135611049
163650838
169510325A
172570708
174650579
177650959
184510326A
186490322
187570438A
216570645
23935815
257650911
258350422
260350437
261650737
274510207A
275390332
277650869
285590551
287650926
32529443
330611131A
37035977
380632641
383570434
384650229
390590652
400510324B
422730227A
Toro
Condizioni generali di contratto
(C) by motoruf