di nuovo a
>
>
>
>
>
>
>
Liste dei pezzi di ricambio per Toro
Liste dei pezzi di ricambio 1
Liste dei pezzi di ricambio 2
pos.
descrizione
Número de pieza
19000
19949
11715
17745
19181
pos.
descrizione
Número de pieza
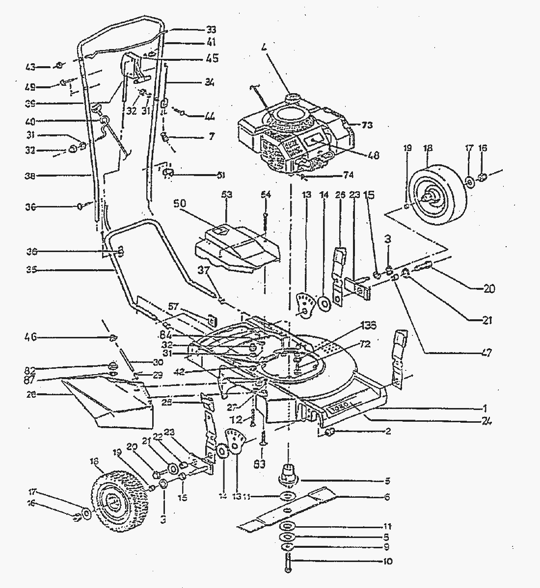
1
17663
2
10988
3
18868
4
14729
5
18936
6
17647
8
13001
9
14558
10
17778
11
07189
12
17754
13
17661
14
17708
15
03951
16
10988
17
13853
18
17732
19
07542
20
18506
21
13896
22
17735
23
18786
24
17598
25
17646
26
18832
27
18404
28
19812
29
17671
30
19953
31
07674
32
13891
33
17981
34
13568
35
17682
36
13474
37
17900
38
19060
39
19139
40
07674
41
13891
42
09711
43
18127
44
19061
45
17902
46
12836
47
10744
48
19622
49
12912
50
19137
51
19533
52
10775
53
17922
54
17703
55
13072
56
18105
57
19147
58
19619
59
10365
60
17653
61
02427
62
17746
63
12619
64
12620
65
12558
66
13340
67
03899
68
19249
69
17711
70
12808
71
19620
72
17737
73
19304
74
18964
75
18468
76
20148
77
17710
78
06242
79
18960
80
18469
81
14532
82
19884
83
18589
84
01414
85
18450
86
19351
87
18209
89
19302
90
19124
91
19235
93
06179
pos.
descrizione
Número de pieza
120
17610
121
17611
122
18391
123
18390
124
18591
125
12836
126
07193
127
07097
128
03660
129
05338
130
17730
131
07021
132
18392
133
17893
134
18393
135
18389
136
03660
137
11717
138
17751
Toro
Condizioni generali di contratto
(C) by motoruf