di nuovo a
motoruf
Warenkorb

Liste dei pezzi di ricambio per Toro




Liste dei pezzi di ricambio


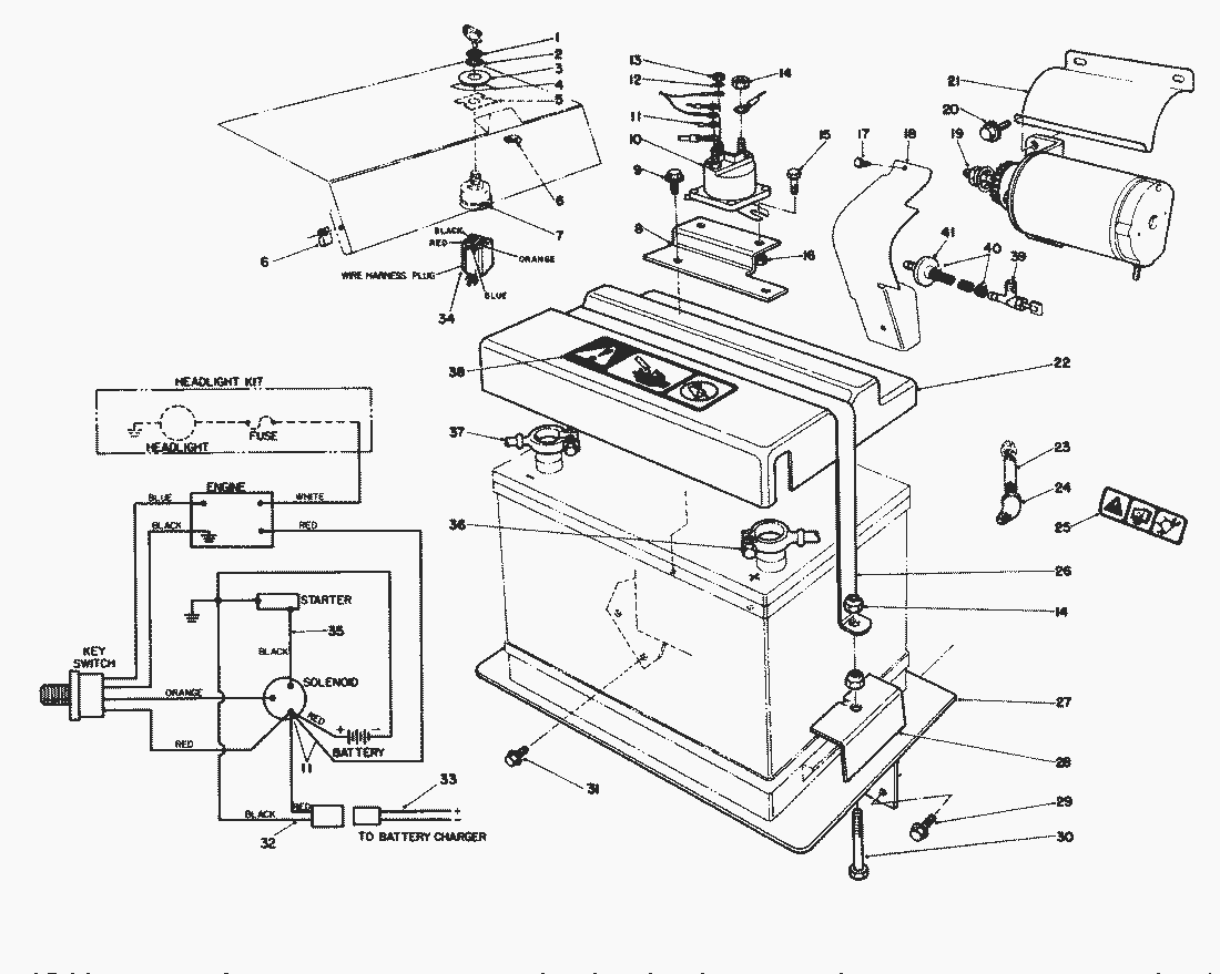
pos.descrizioneNĂºmero de pieza
1218-461
23254-5
366-7690
466-7660
566-7680
62412
723-0660
866_7630
932144-10
106-1600
11218-575
123254-1
133219-14
143296-29
15321-2
163296-42
17934984
18280265
1937-9970
2093535
21222592
2222-8900
23289-36
242811-3
2563-3470
2622-8850
2766-7600
2822-8870
293234-17
30322-11
313234-5
3229-7830
3329-7820
3466-7650
3522-9310
3622-9320
3729-9330
3866-7640
39399949
402210-307
41298090
3290-378
26-3870
26-7140
Toro
Condizioni generali di contratto
(C) by motoruf