di nuovo a
motoruf
Warenkorb

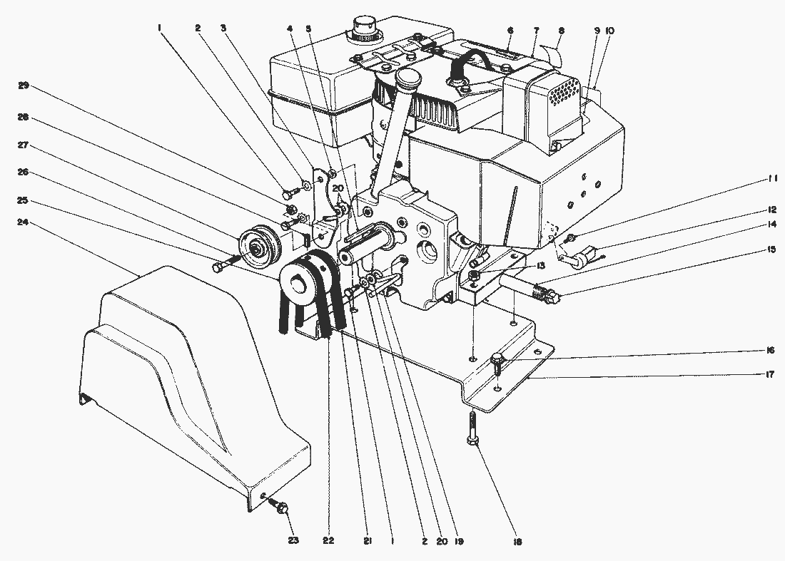
Liste dei pezzi di ricambio per Toro




Liste dei pezzi di ricambio


pos.descrizioneNĂºmero de pieza
13210-3
23255-8
320-1800
440-8490
55-0930
641-8540
7221-755
839-3860
929-6390
1039-3850
1112-3270
1241-8600
133296-29
14289-34
15288-2
1632144-15
1737-0320
18322-7
1917-5530
203256-23
2120-1820
2226-9670
2332144-10
2420-1830
2521-4100
26323-29
273-4244
283246-14
2932146-2
Toro
Condizioni generali di contratto
(C) by motoruf