di nuovo a
motoruf
Warenkorb

Liste dei pezzi di ricambio per Toro




Liste dei pezzi di ricambio


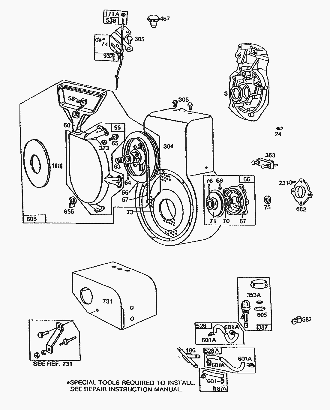
pos.descrizioneNĂºmero de pieza
3391086
24222698
55398099
56295871
57490179
5866884
60398101
63260414
64230543
6593105
94128
66399671
67394897
6863770
70298799
71221653
73221796
7493042
75220865
7668238
17190356
186280727
187393815
23194238
304392738
490446
30593158
35394281
36319203
37392987
387399255
467391908
528399256
528399254
538396085
587220162
60193053
93807
60194171
608397982
655222598
682211516
731490173
223825
93490
93640
90832
80594189
932396084
1016490817
Toro
Condizioni generali di contratto
(C) by motoruf