di nuovo a
motoruf
Warenkorb

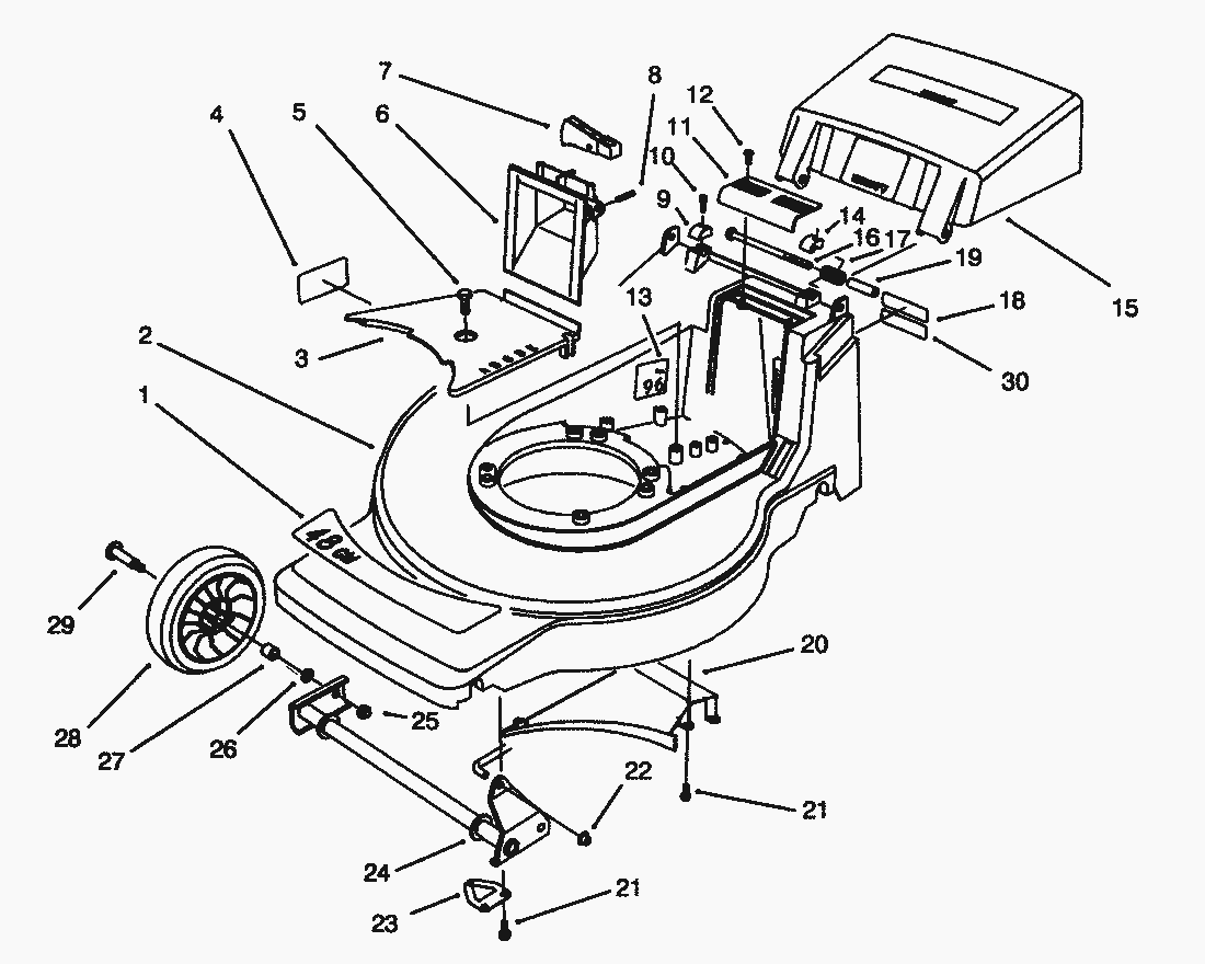
Liste dei pezzi di ricambio per Toro




pos.descrizioneNúmero de pieza
16-1669
Liste dei pezzi di ricambio


pos.descrizioneNúmero de pieza
171-9860
371-7920
462-3860
532144-70
671-7870
771-7930
83284-5
971-7910
1065-5210
1171-7860
1232144-97
13
1471-7900
1571-9801
16322-29
1771-9840
1866-0680
1971-8580
2071-7990
2132144-4
2232112-11
2371-8830
2471-7820
253296-5
2640-1940
2727-6250
2846-1113
2927-6230
30
Toro
Condizioni generali di contratto
(C) by motoruf