di nuovo a
motoruf
Warenkorb

Liste dei pezzi di ricambio per Toro




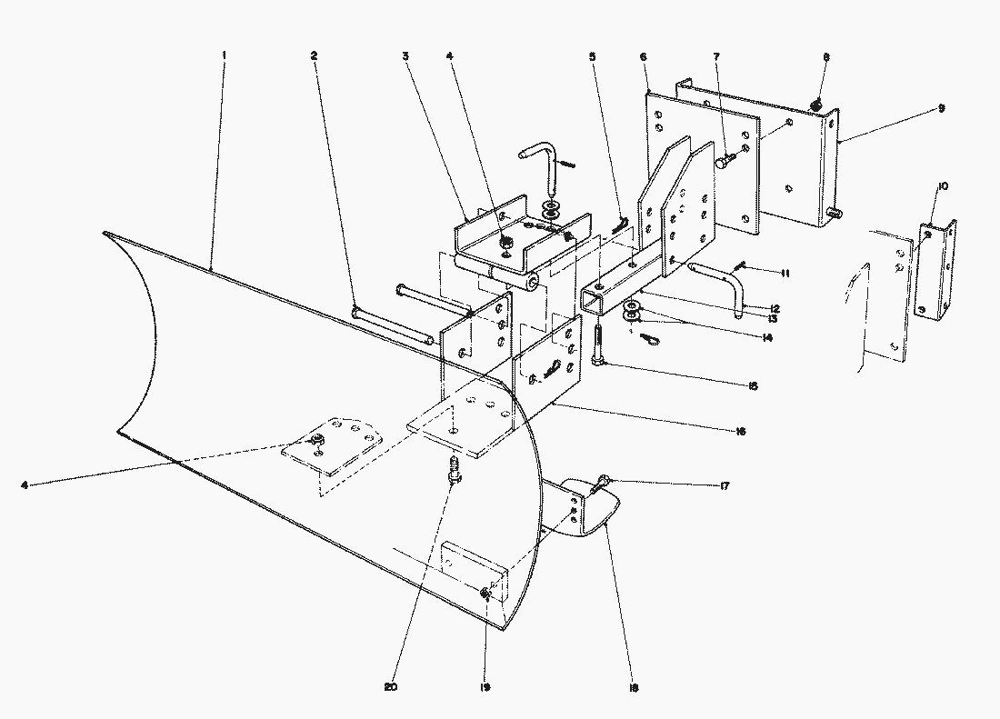
pos.descrizioneNúmero de pieza
20-5210
Liste dei pezzi di ricambio


pos.descrizioneNúmero de pieza
17-4374
2283-38
320-5090
432152-3
53290-322
6224920
7323-6
832152-2
920-5170
1039-7850
1132121-45
1320-5140
143256-5
15325-11
1620-5130
17322-6
187-1023
1932152-1
20325-5
20-9960
Toro
Condizioni generali di contratto
(C) by motoruf