di nuovo a
motoruf
Warenkorb

Liste dei pezzi di ricambio per Toro




Liste dei pezzi di ricambio


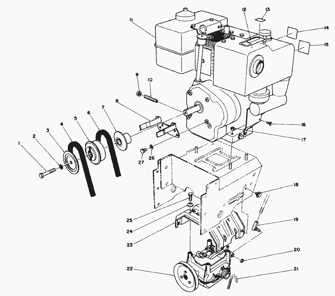
pos.descrizioneNĂºmero de pieza
13212-8
23253-6
362-0940
463-2964
562-0930
663-2953
762-0920
863-2970
9288-4
10289-20
11
1262-7290
63-2310
1363-2360
63-2460
1463-2320
1563-2340
162210-250
1732128-20
183234-7
1963-2640
203296-6
2163-2930
2262-0190
2363-2990
243290-461
2511-0590
263253-4
273210-1
Toro
Condizioni generali di contratto
(C) by motoruf