di nuovo a
motoruf
Warenkorb

Liste dei pezzi di ricambio per Toro




Liste dei pezzi di ricambio


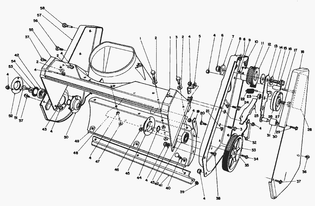
pos.descrizioneNĂºmero de pieza
3032112-11
3155-9520
3255-9570
3360-9320
34321-30
353290-456
3612-3270
3732105-15
3832105-8
3932149-2
403229-11
4155-8760
4238-7820
433256-67
4452-7280
4538-8620
463296-2
4732128-10
4855-9512
4955-9220
5052-9110
513234-25
5252-7290
533256-24
5452-7270
5555-8700
56322-43
5755-8840
5838-8211
13-5159
Toro
Condizioni generali di contratto
(C) by motoruf