di nuovo a
>
>
>
>
>
>
>
Liste dei pezzi di ricambio per Toro
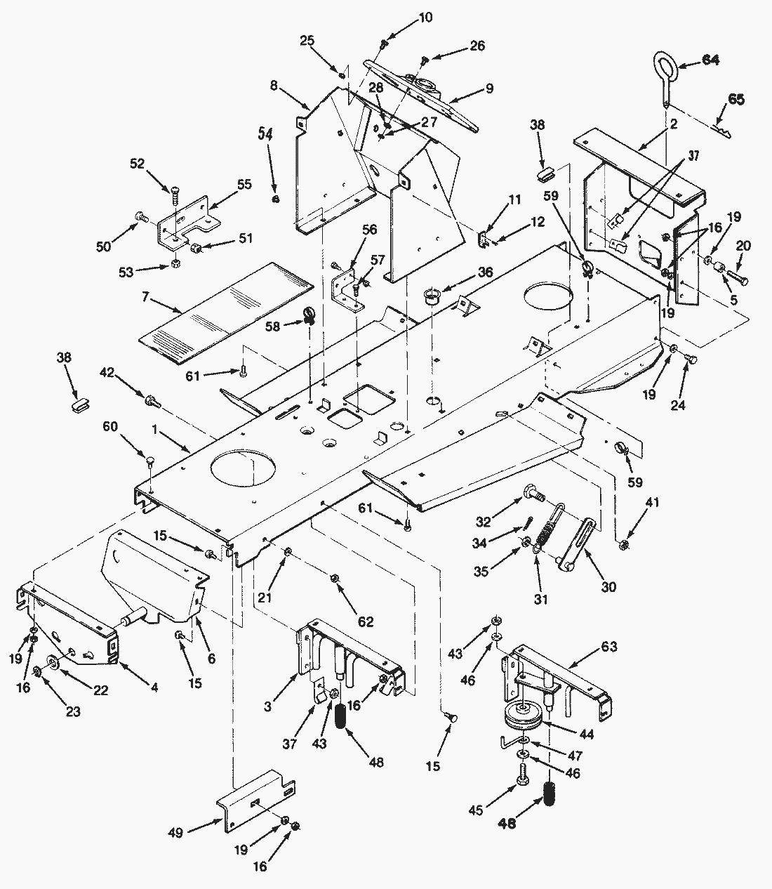
pos.
descrizione
NĂºmero de pieza
1
78-1640
2
114417
3
112850
4
111397
5
114610
6
112977
7
110180
8
78-8430
9
111467
10
111499
11
117343
12
117431
15
3230-16
16
3296-29
19
3256-23
20
322-6
21
3254-2
22
1278
5210
23
32120-93
24
322-3
25
915740
26
910837
27
3217-5
28
3253-3
30
111524
31
111527
32
78-1670
34
3272-16
35
920242
36
938031
37
8830
37
38
113116
41
109779
42
323-7
43
3296-39
44
110370
45
323-10
46
3256-24
47
109230
48
111439
49
114989
114990
50
960152
51
3296-42
52
910796
53
915740
54
938050
55
117142
56
78-2050
57
926640
58
115860
59
115858
60
900036
61
926697
62
915112
63
114851
64
106634
65
933505
Toro
Condizioni generali di contratto
(C) by motoruf