di nuovo a
motoruf
Warenkorb

Liste dei pezzi di ricambio per Toro




Liste dei pezzi di ricambio


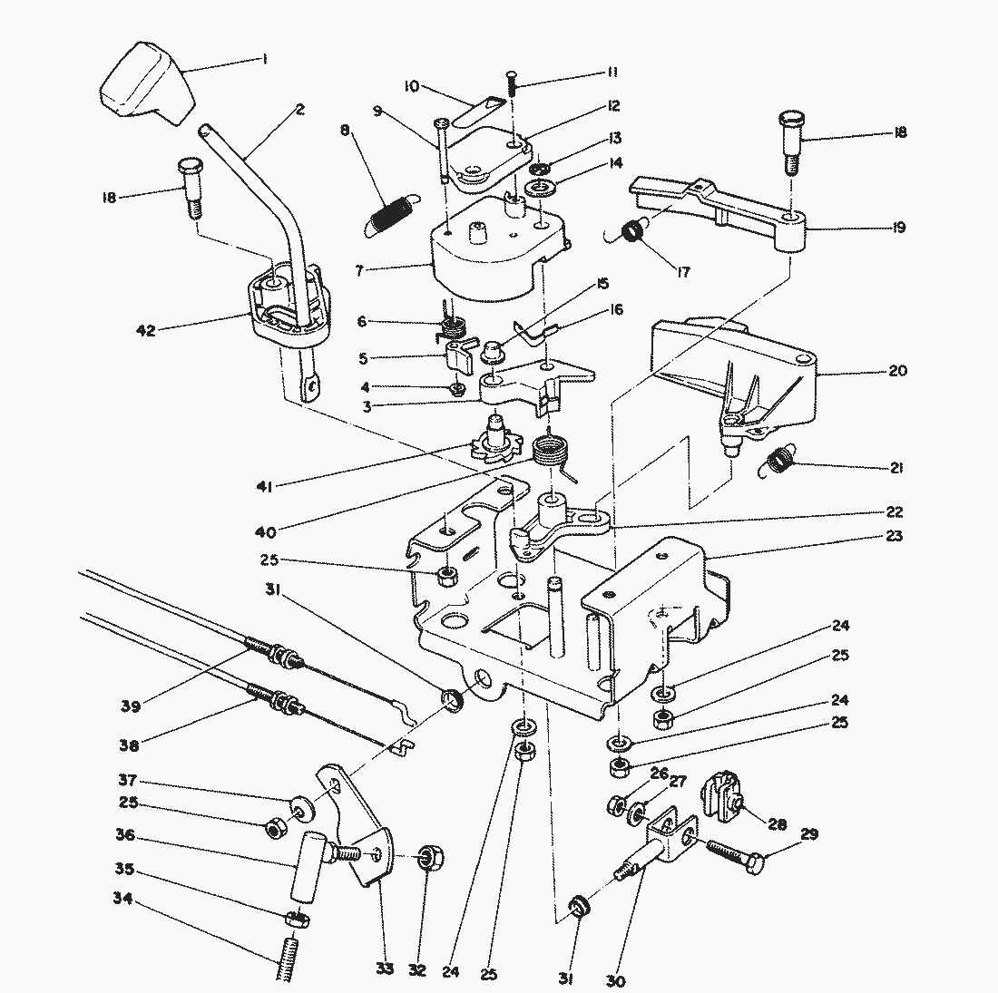
pos.descrizioneNĂºmero de pieza
162-1290
267-9240
362-1110
43290-422
562-0180
662-1650
762-1100
863-2220
963-2610
1063-2480
1132104-118
1262-1140
1332120-46
14257-9
153290-320
1662-1710
1763-2240
1863-2650
1962-1700
2062-1130
2163-2230
2262-1120
2363-2150
243256-23
253296-29
263296-42
273256-1
2867-9250
29321-43
3066-7730
31256-296
323296-39
3363-2630
3463-2830
353220-3
3663-2640
373290-456
3863-2210
3963-2200
4063-2270
4162-0170
4262-1470
Toro
Condizioni generali di contratto
(C) by motoruf