di nuovo a
motoruf
Warenkorb

Liste dei pezzi di ricambio per Toro




pos.descrizioneNúmero de pieza
632594A
27136A
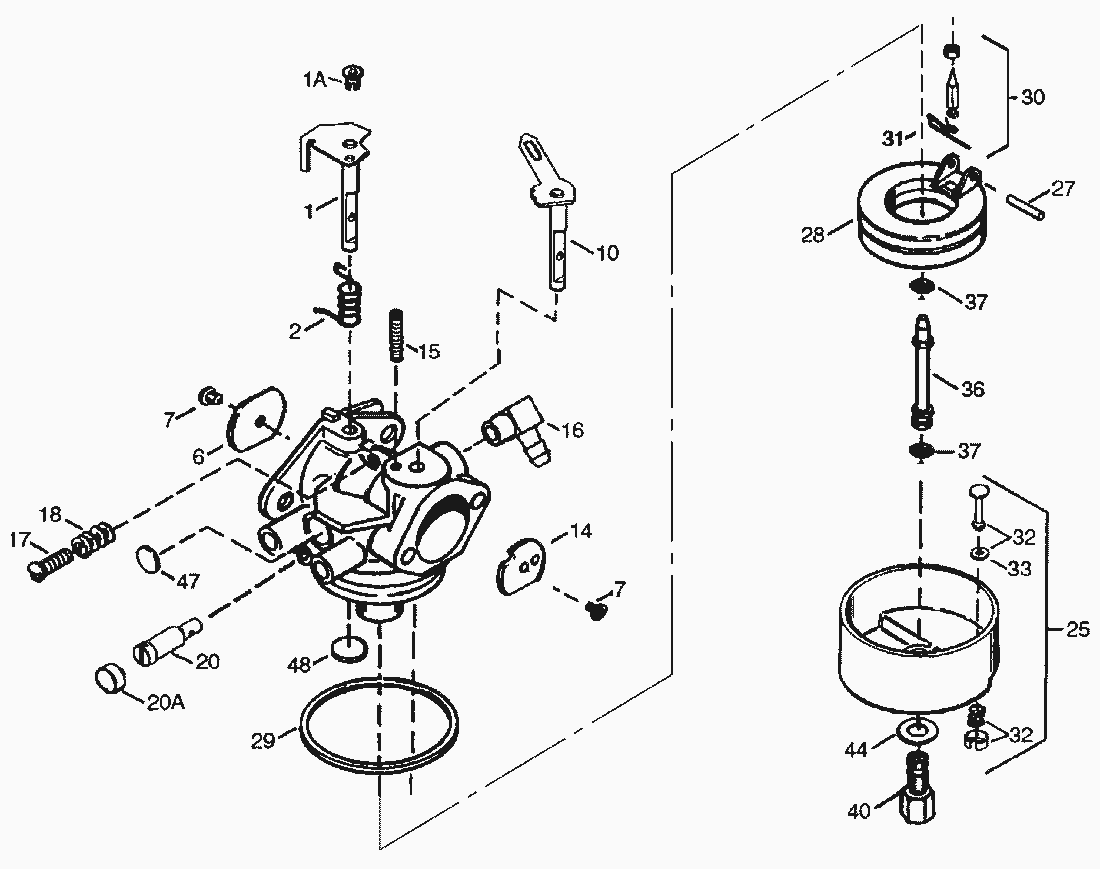
Liste dei pezzi di ricambio


pos.descrizioneNúmero de pieza
1633777
136288
2631970
6640109
7650506
10632778
14631753
15630735
16632527
17651025
18630766
20640027
20640053
27631024
28632019
29631028
30631021
31631022
3327554
36640013
37632547
40640170
4427110
47630748
48631027
Toro
Condizioni generali di contratto
(C) by motoruf