Cub Cadet Tank LZ 60 Commercial 53BH2PTD330 (2015) Wiring diagram Ricambi
Wiring diagram 53BH2PTD330 (2015)

| Posizione | Articolo numero | Descrizione | |
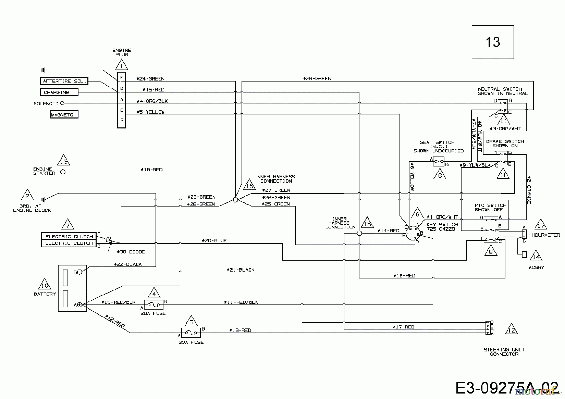
| 13 | 725-06220 | HARNESS KOHLER/KAWA | |


Gestione della qualità
Aiutaci a migliorare il nostro sito. Informaci se trovi un errore.

