.it
Benvenuti
Contatti
Spedizione
L’azienda
Guest book
Condizioni e Privacy
Catalogare
Tagliare, profilare
Componenti per motore
Officine meccaniche
Parti e componentistica per macchine varie
Forestali
Articoli elettrici
Articoli invernali
Cinghie trapezoidali e relative pulegge
Filters
PEZZI DI RICAMBIO
Sprocket Rims
Guide Bars
Chainsaw Chains
Search by Part Number
Diagrammi ed elenchi
Servizio
Determine Chain
Ricerca
Il mio account
Registrati
Log in
Settings
DE
EN
FR
ES
IT
Desktop
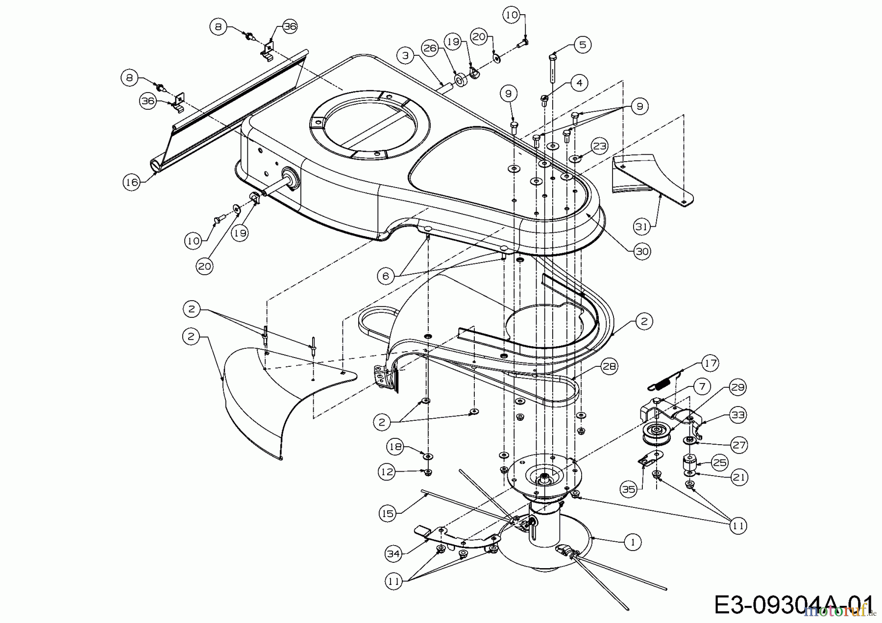
MTD WST 5522 25A-262E678 (2015) Deflector, Belt, Frame, Trim line Ricambi
Start
MTD
String trimmer
WST 5522
25A-262E678 (2015)
Deflector, Belt, Frame, Trim line
Deflector, Belt, Frame, Trim line 25A-262E678 (2015)
Posizione
Articolo numero
Descrizione
1
618-07158
BUMP HEAD ASSEMBLY
2
631-0213
3
681-0159
AXLE ASSY.
4
710-0237
HHCS:5/16-24:.625:GR5:STD
5
710-0395
SCRE.HHCS:5/16-18:2.25:GR2:STD
6
710-0932A
SCR:CRG:1/4-20:1.000:GR5
7
710-0805A
SCRE.HHCS:5/16-18:1.50:GR5:STD
8
710-1652
SCR:TT:1/4-20 x.625:HXINDWH
9
710-3008
SCREW HHCS:5/16-18:.75:GR5:STD
10
710-3015
HHCS:1/4-20:.75:GR5:STD
11
712-04063
FLANGED NUT 5/16-18:GRF:NYLON
12
712-04064
NUT:FLGLK:1/4-20:GRF:NYLON
15
731-10080
16
731-2329
TRAILSHIELD
17
732-1022
Spring
18
736-0173
WASH:FLAT:.280x.740x.063
19
736-0182
WASHER:SPR:.500 x 1.00 x.022
20
736-0270
WASHER:BLVL:.265 x .750 x .060
21
736-0371
WASH:THRST:.343 x .880 x .062
23
736-0425
WASH:BELL:.325 x .930 x .045
25
748-0278
SPACER
26
750-1240
BUSHING
27
750-1275
BUSHING
28
754-05077
V-BELT
29
756-05108
PULLEY-IDLER-FLAT
30
781-05007A
MOWER HOUSING
31
781-05073
33
781-1008A
BRACKET ASM DECK IDLER
34
781-1020
BRACKET-KEEPER
35
781-1028
BRACKET BELT KEEPER
36
782-9065
TRAIL SHIELD CLIP
37
1182-WS-0001
AF3.15 LINE 3.9MM X 47CM
Gestione della qualità
Aiutaci a migliorare il nostro sito. Informaci se trovi un errore.