.it
Benvenuti
Contatti
Spedizione
L’azienda
Guest book
Condizioni e Privacy
Catalogare
Tagliare, profilare
Componenti per motore
Officine meccaniche
Parti e componentistica per macchine varie
Forestali
Articoli elettrici
Articoli invernali
Cinghie trapezoidali e relative pulegge
Filters
PEZZI DI RICAMBIO
Sprocket Rims
Guide Bars
Chainsaw Chains
Search by Part Number
Diagrammi ed elenchi
Servizio
Determine Chain
Ricerca
Il mio account
Registrati
Log in
Settings
DE
EN
FR
ES
IT
Desktop
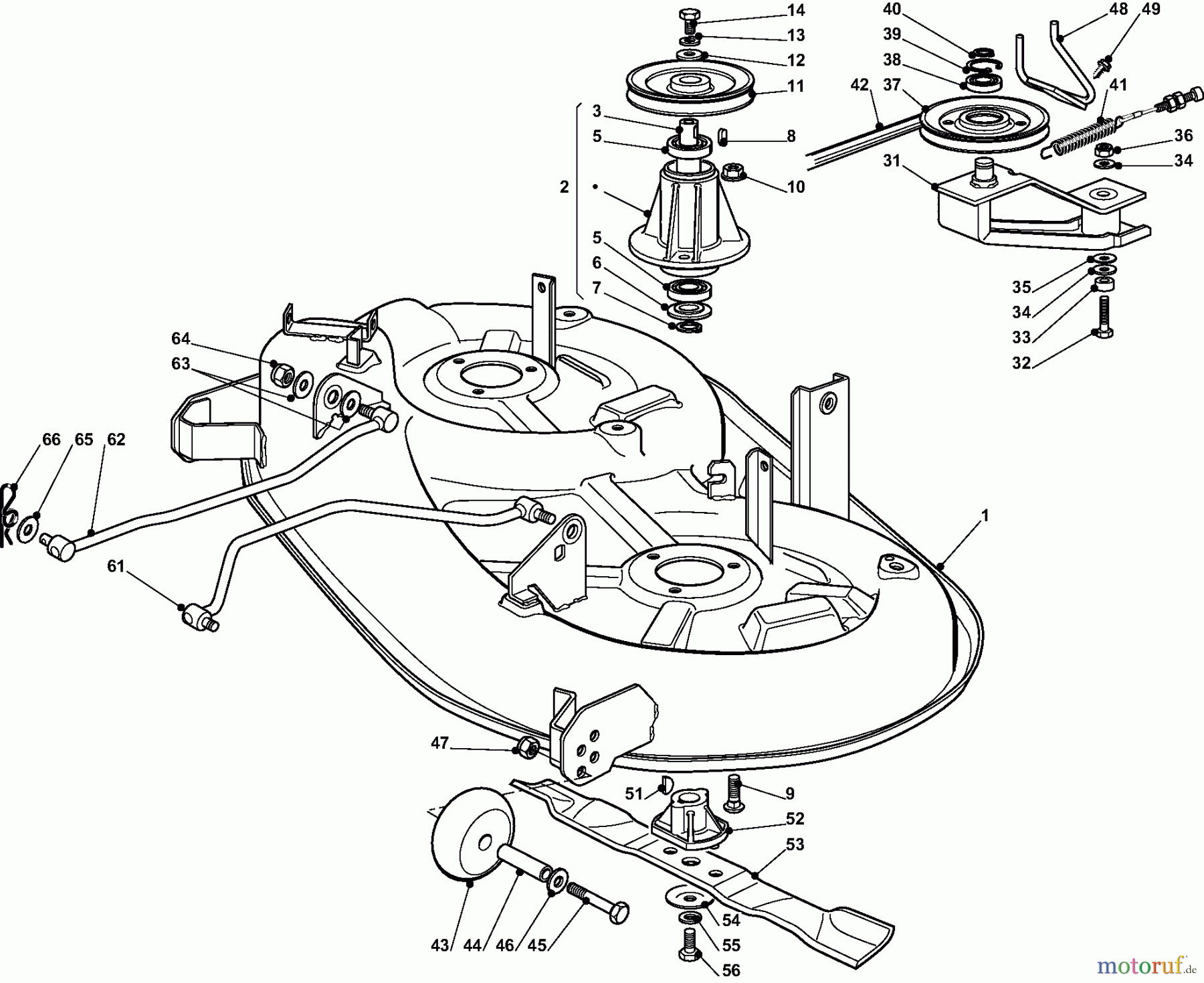
Dolmar TM-98.14 H2D TM-98.14 H2D (2009) 9 SCHNEIDWERKZEUG (2) Ricambi
Start
Dolmar
Rasentraktoren
TM-98.14 H2D
TM-98.14 H2D (2009)
9 SCHNEIDWERKZEUG (2)
9 SCHNEIDWERKZEUG (2) TM-98.14 H2D (2009)
Posizione
Articolo numero
Descrizione
1
664564083
MÄHDECK
2
664207202
NABE LINKS KPL.
3
664020802
WELLE
5
664216047
KUGELLAGER
6
664160501
STAUBSCHUTZSCHEIBE
7
664609260
SICHERUNGSRING
8
664139480
KEIL
9
664818700
SCHRAUBE
10
664154210
MUTTER
11
664601571
RIEMENSCHEIBE
12
664670007
SCHEIBE
13
664583500
FEDERRING
14
664793102
SCHRAUBE
31
664318141
HEBEL
32
664691900
SCHRAUBE
33
664160041
SCHEIBE
34
664523070
SCHEIBE
35
664672152
SCHEIBE
36
664155000
MUTTER
37
664601587
RIEMENSCHEIBE
38
664216048
KUGELLAGER
39
664610800
SPRENGRING
40
664609200
SICHERUNGSRING
41
664004619
BOWDENZUG
42
664061503
KEILRIEMEN
43
664700002
SKALPIERSCHUTZRÄDCHEN
44
664510072
DISTANZSTÜCK
45
664692050
SCHRAUBE M8X85
46
664523060
SCHEIBE
47
664293201
MUTTER
48
664270311
RIEMENFÜHRUNG
49
664729601
SCHRAUBE
51
664139100
KEIL
52
664463200
MESSERHALTER
53
664004346
MULCHMESSER
54
664160400
FEDERSCHEIBE
55
664523080
SCHEIBE
56
664735694
SCHRAUBE R
61
664000535
KIPPHEBEL
62
664000533
KIPPHEBEL
63
664670008
SCHEIBE
64
664156602
MUTTER
65
664670008
SCHEIBE
66
664487997
SPLINT
Gestione della qualità
Aiutaci a migliorare il nostro sito. Informaci se trovi un errore.