.it
Benvenuti
Contatti
Spedizione
L’azienda
Guest book
Condizioni e Privacy
Catalogare
Tagliare, profilare
Componenti per motore
Officine meccaniche
Parti e componentistica per macchine varie
Forestali
Articoli elettrici
Articoli invernali
Cinghie trapezoidali e relative pulegge
Filters
PEZZI DI RICAMBIO
Sprocket Rims
Guide Bars
Chainsaw Chains
Search by Part Number
Diagrammi ed elenchi
Servizio
Determine Chain
Ricerca
Il mio account
Registrati
Log in
Settings
DE
EN
FR
ES
IT
Desktop
Dolmar Benzin Kettensäge PS-3300 TH 2 Motorgehäuse, Kurbelgehäuse, Zylinder, Zündung Ricambi
Start
Dolmar
Kettensägen
Benzin Kettensäge
PS-3300 TH
2 Motorgehäuse, Kurbelgehäuse, Zylinder, Zündung
2 Motorgehäuse, Kurbelgehäuse, Zylinder, Zündung PS-3300 TH
Posizione
Articolo numero
Descrizione
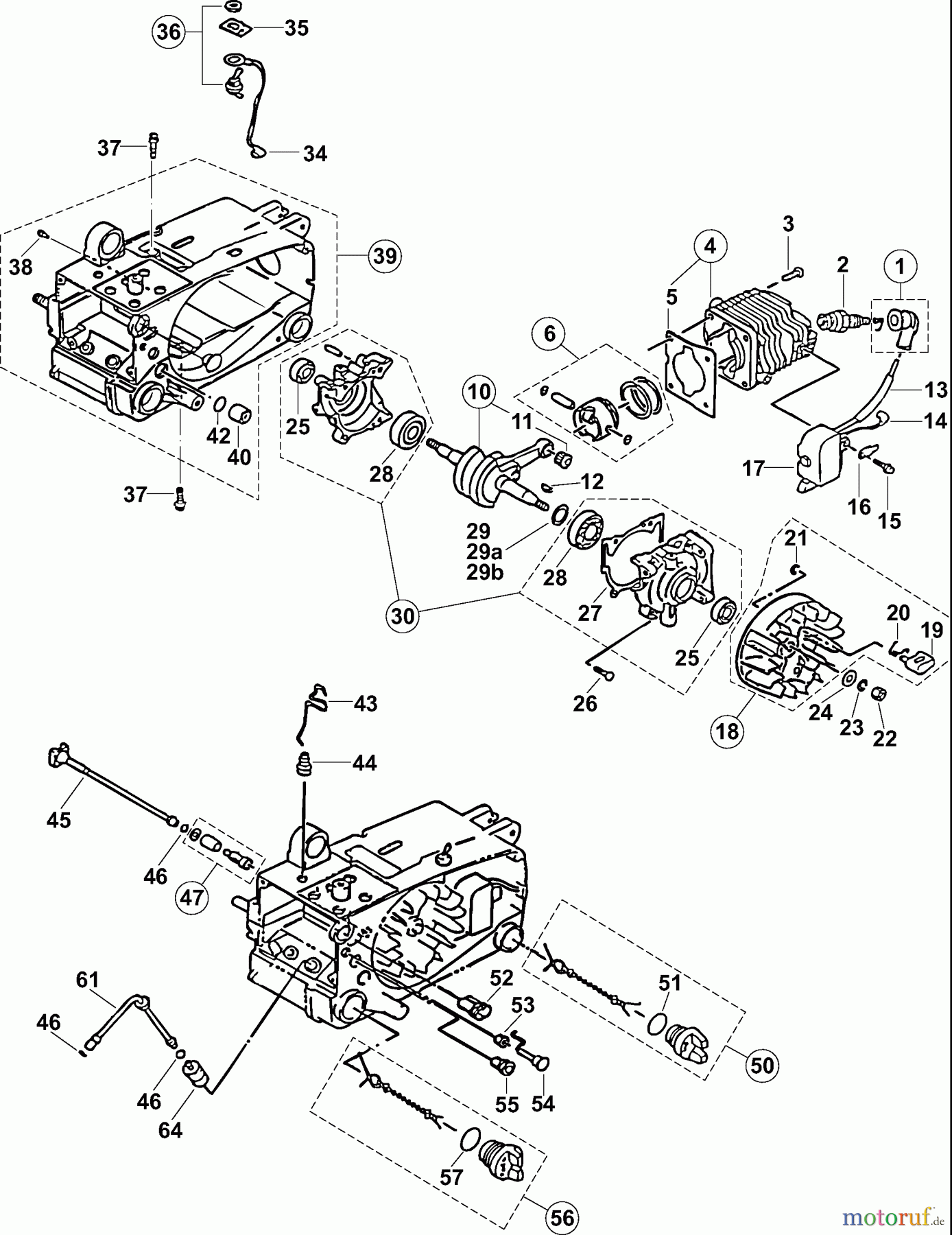
1
318000010
ZÜNDKERZENSTECKER
2
965603017
ZÜNDKERZE
3
318000040
FLACHKOPFSCHRAUBE 5X16
4
318002390
ZYLINDER KPL. INC. 5
5
318000050
ZYLINDERDICHTUNG
6
318002370
KOLBEN KPL.
10
318000100
KURBELWELLE INC. 11
11
318000110
NADELKÄFIG
12
318000120
SCHEIBENFEDER
13
318000360
ISOLIERSCHLAUCH
14
318000400
KURZSCHLUSSKABEL
15
318000230
FLACHKOPFSCHRAUBE 4X18
16
318000240
KONTAKTBLECH
17
318000250
ZÜNDANKER
18
318000190
POLRAD KPL. INC. 19-21
19
318000200
ANWERFKLINKE
20
318000210
DREHFEDER
21
318000220
SICHERUNGSSCHEIBE 4
22
318000160
MUTTER
23
318000170
FEDERSCHEIBE 7
24
318000180
SCHEIBE 7
25
318002671
RADIALDICHTRING METAL
26
318000260
FLACHKOPFSCHRAUBE 5X20S
27
318000290
KURBELGEHÄUSEDICHTUNG
28
960102131
KUGELLAGER 6201
29
318000130
AUSGLEICHSCHEIBE 0.1
29a
318000140
AUSGLEICHSCHEIBE 0.2
29b
318000150
AUSGLEICHSCHEIBE 0.3
30
318000270
KURBELGEHÄUSE KPL. INC. 25, 27-29 & 31-33
34
318000390
MASSEKABEL
35
318000380
UNTERLEGPLATTE
36
318000370
KURZSCHLUßSCHALTER
37
318000350
6KT-SCHRAUBE 5X20
38
318000330
BELÜFTUNGSVENTIL
39
318002270
MOTORGEHÄUSE KPL. INC. 38 & 40, 199
40
318000252
BELüFTUNGSVENTIL KPL.
42
318000253
O-RING
43
318000750
GASGESTÄNGE
44
318000760
EINSTELLFÜHRUNG
45
318000700
ÖLLEITUNG
46
318000710
KLEMME
47
318000740
ÖLFILTER KPL. INC. 48 & 49
50
318000830
ÖLTANKVERSCHLUSS KPL. INC. 51
51
318000840
O-RING P-18
52
318000850
EINSTELLFÜHRUNG
53
318000860
GUMMISTOPFEN
54
318000870
CHOKESTANGE
55
318000880
EINSTELLFÜHRUNG
56
318000900
TANKVERSCHLUSS KPL. (KRAFTST.) INC. 57
57
318000890
O-RING P-20
61
318000790
KRAFTSTOFFLEITUNG
64
318000800
SAUGKOPF (KRAFTSTOFF)
Gestione della qualità
Aiutaci a migliorare il nostro sito. Informaci se trovi un errore.