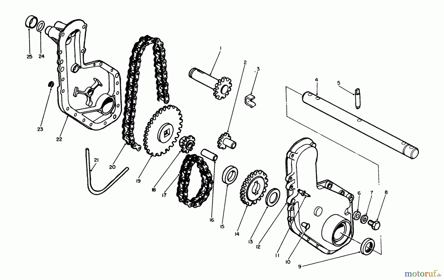
Toro 58160 - 18" Tiller, 1983 (3000001-3999999) CHAIN CASE ASSEMBLY NO. 48-1250 Ricambi
CHAIN CASE ASSEMBLY NO. 48-1250 58160 - Toro 18" Tiller, 1983 (3000001-3999999)



Gestione della qualità
Aiutaci a migliorare il nostro sito. Informaci se trovi un errore.

