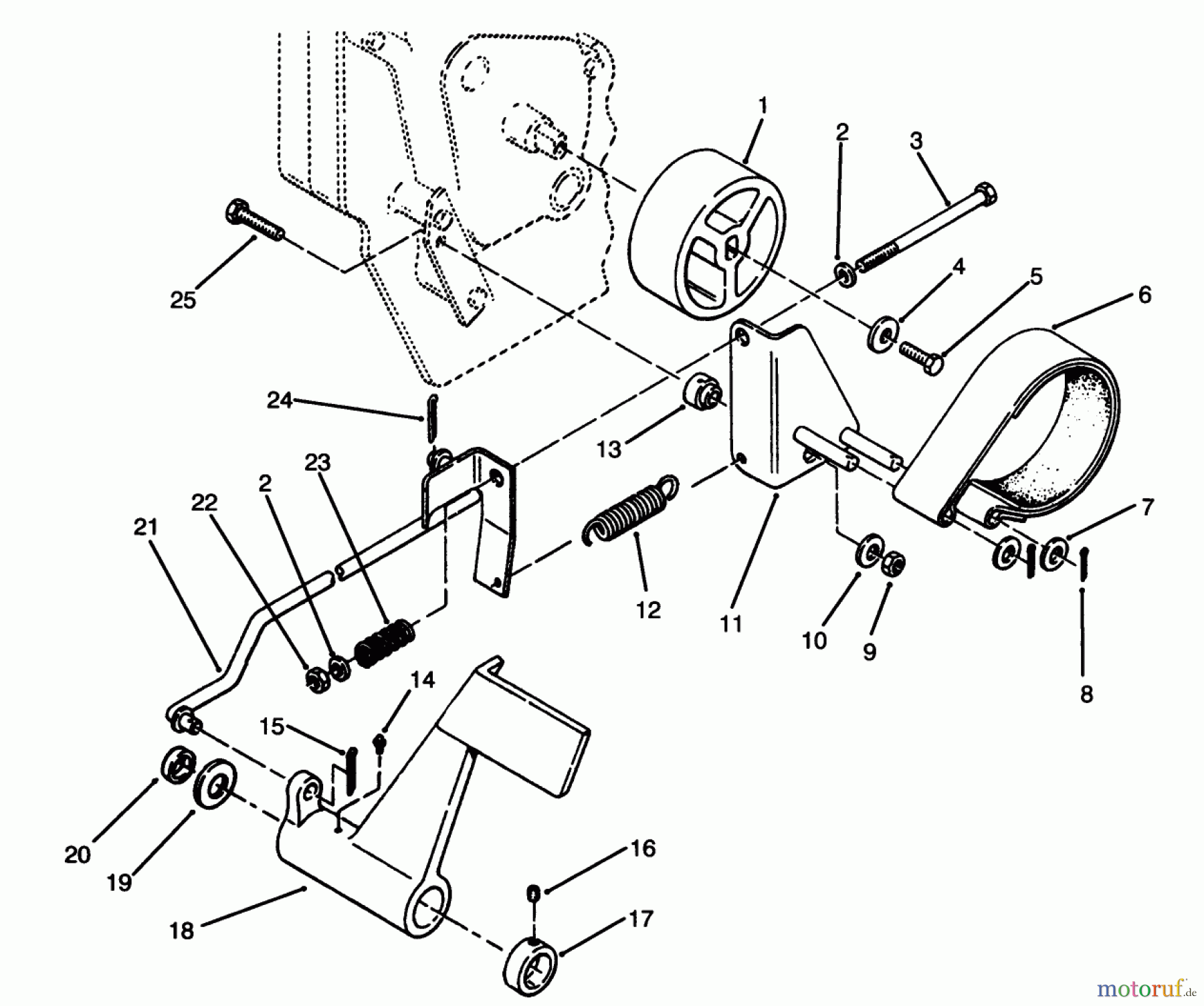
Toro 73520 (520-H) - 520-H Garden Tractor, 1994 (4900001-4999999) BRAKE PEDAL & LINKAGE ASSEMBLY Ricambi
BRAKE PEDAL & LINKAGE ASSEMBLY 73520 (520-H) - Toro 520-H Garden Tractor, 1994 (4900001-4999999)



Gestione della qualità
Aiutaci a migliorare il nostro sito. Informaci se trovi un errore.



