.it
Benvenuti
Contatti
Spedizione
L’azienda
Guest book
Condizioni e Privacy
Catalogare
Tagliare, profilare
Componenti per motore
Officine meccaniche
Parti e componentistica per macchine varie
Forestali
Articoli elettrici
Articoli invernali
Cinghie trapezoidali e relative pulegge
Filters
PEZZI DI RICAMBIO
Sprocket Rims
Guide Bars
Chainsaw Chains
Search by Part Number
Diagrammi ed elenchi
Servizio
Determine Chain
Ricerca
Il mio account
Registrati
Log in
Settings
DE
EN
FR
ES
IT
Desktop
Murray 30550F - 30" Rear Engine Rider (1997) Mower Housing Ricambi
Start
Murray
Reitermäher
30550F - Murray 30" Rear Engine Rider (1997)
Mower Housing
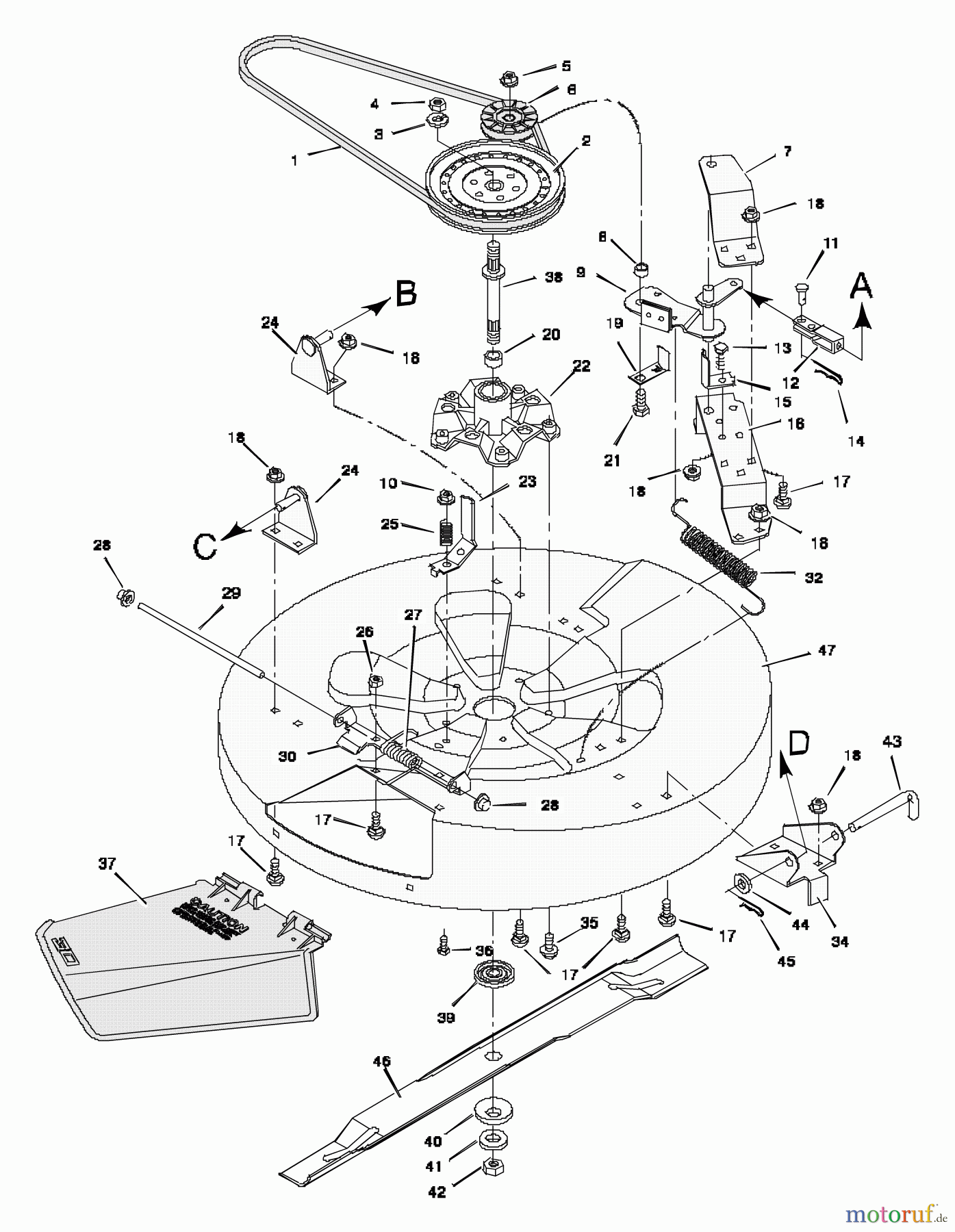
Mower Housing 30550F - Murray 30" Rear Engine Rider (1997)
Posizione
Articolo numero
Descrizione
1
BS037X57A
2
BS774090MA
PULLEY SPLINED 7.5 Q1
3
BS018X33MA
WASHER.56.96X.14 SPLI
4
BS15X100MA
MUTTER.56-18 REG UNF Z-Y
5
BS015X41MA
NUT.50-13 STOVERLOCK
6
BS091178
7
BS055921E701MA
BRACKET UPPER PIVOT
8
BS055895MA
DISTANZSTUCK-ZINK-(PUR)
9
BS055979MA
LEITRAD-BREMSBELAG ASSY
10
BS015X88MA
NUT,CENTERLOCK Z .3
11
BS029X99MA
GABELKOPFBOLZEN
12
BS024471ZMA
CLEVIS
13
BS001X45MA
BOLT-HEX.31-18X0.62 Z
14
BS0031X6MA
PIN, HAIR .38D - .0
15
BS055977MA
GUIDE-BELT
16
BS055920E701
17
BS002X53MA
BOLT,CRG .31-18 X 0.
18
BS015X79MA
NUT.31-18 FLANGELOCK
19
BS055894MA
SPRING,BELT GUIDE
20
BS091925MA
SPACER-BEARING-P/M
21
BS01X127MA
SECHSKANTBOLZEN.50-13X1.50 Z
22
BS455962MA
MANDREL HSNG ASSY
23
BS055956 Z
24
BS055974E701MA
HANGER/AUFHANGUNG ASSY
25
BS0164X1MA
DRUCKFEDER
26
BS015X88MA
NUT,CENTERLOCK Z .3
27
BS0168X4
28
BS026X23
29
BS021197ZMA
DEFLEKTOR STANGE
30
BS56213E701
32
BS165X68MA
ZUGFEDER
34
BS055916E701MA
FRT BRACKET
35
BS26X216MA
SCREW-THREAD FORMING
36
BS001X75MA
BOLT,HEX .31-18X1.75
37
BS055971MA
CHUTE DEFLEC ASSY 30
38
BS491921MA
BLINDWELLE
39
BS092466MA
ADAPTER- MESSER
40
BS17X166MA
WASHER.62-1.7 11G - B
41
BS17X165MA
UNTERLEGSCHEIBE.62-1.0-.18 FL
42
BS15X100MA
MUTTER.56-18 REG UNF Z-Y
43
BS090828ZMA
ZUGSTIFT - 6.50
44
BS017X67ZMA
WASHER-FLAT.53-1.0-.0
45
BS0031X4MA
PIN, HAIR .56D - .09
46
BS056246E701MA
EINZELMESSER; EINZELFLUGEL
47
BS
Eingangswelle UE 600
--
BS403330
Gestione della qualità
Aiutaci a migliorare il nostro sito. Informaci se trovi un errore.