.it
Benvenuti
Contatti
Spedizione
L’azienda
Guest book
Condizioni e Privacy
Catalogare
Tagliare, profilare
Componenti per motore
Officine meccaniche
Parti e componentistica per macchine varie
Forestali
Articoli elettrici
Articoli invernali
Cinghie trapezoidali e relative pulegge
Filters
PEZZI DI RICAMBIO
Sprocket Rims
Guide Bars
Chainsaw Chains
Search by Part Number
Diagrammi ed elenchi
Servizio
Determine Chain
Ricerca
Il mio account
Registrati
Log in
Settings
DE
EN
FR
ES
IT
Desktop
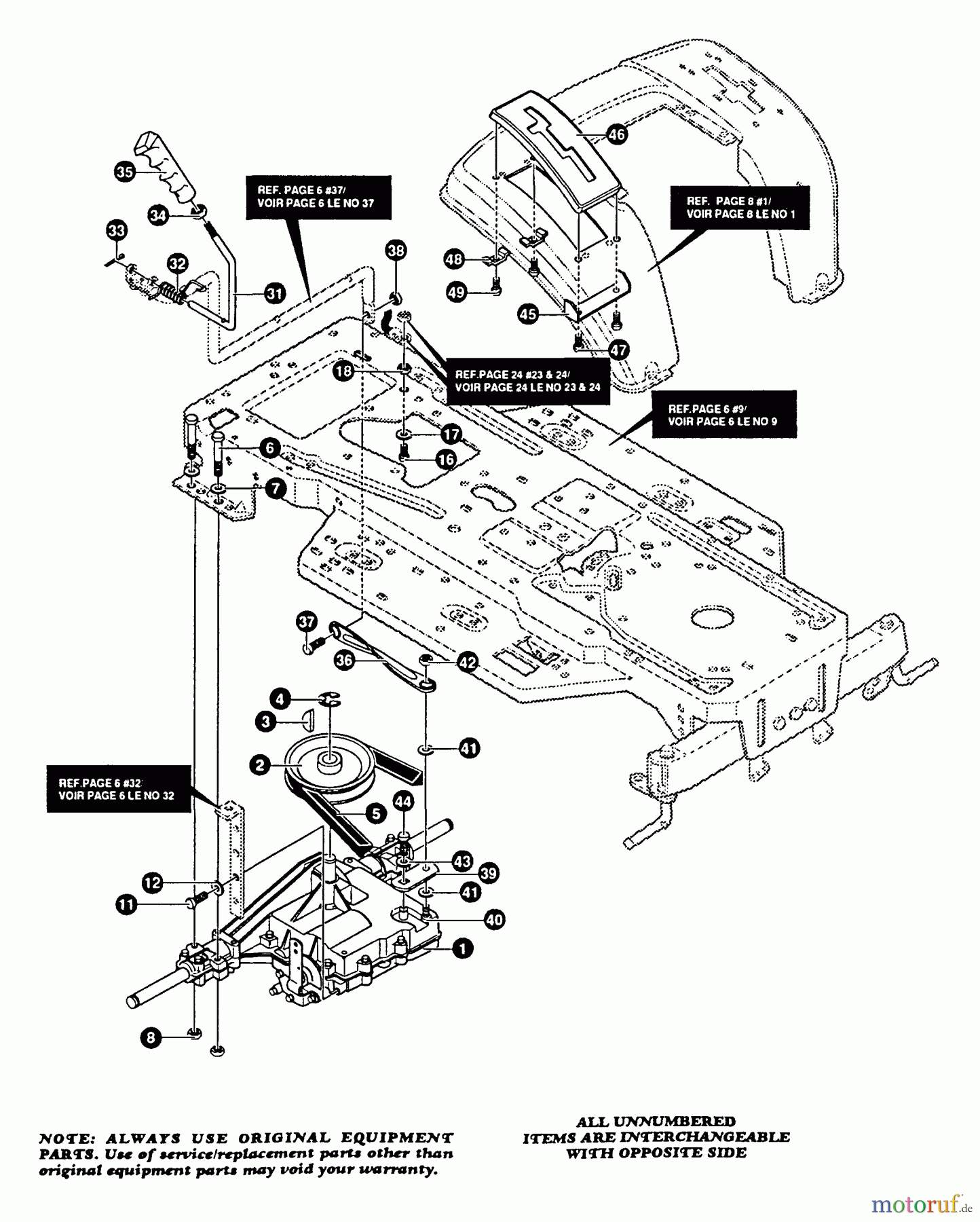
Murray G4315160 - 43" Lawn Tractor (1997) Motion Drive Assembly (part 1) Ricambi
Start
Murray
Rasen- und Gartentraktoren
G4315160 - Murray 43" Lawn Tractor (1997)
Motion Drive Assembly (part 1)
Motion Drive Assembly (part 1) G4315160 - Murray 43" Lawn Tractor (1997)
Posizione
Articolo numero
Descrizione
1
BS
Eingangswelle UE 600
2
BS302745MA
PULLEY 6.6 OD
3
BS50795MA
SCHLUSSEL, HI-PRO 606 .75D
4
BS402083MA
RET.RING,DANA5366 SE
5
BS314120MA
RIEMEN
6
BS180091MA
SCHRAUBE 5/16-18x2.50 HH
7
BS120393MA
FLACHSCHEIBE 349X.69
8
BS015X43MA
NUT .31-18 ST OVERLOC
11
BS782967MA
SCHRAUBE 5/16-18X.88
12
BS120638MA
WASHER, SPTLK .31X.58
16
BS180077MA
SCHRAUBE 5/16-18X.75 HHC
17
BS138538
18
BS1498
31
BS324798
32
BS310265
33
BS137185MA
FEDERSTECKER .125 DIA
34
BS318486MA
NUT, 1/2-13 HEXJAM
35
BS306690MA
GRIFF 1/2-13 FORMTEIL
36
BS314965
37
BS711905MA
SCREW, 3/8-16X1.25 HH
38
BS1499MA
MUTTER, 3/8-16 REGHXCTRL
39
BS309637
40
BS180124
41
BS120394
42
BS1499MA
MUTTER, 3/8-16 REGHXCTRL
43
BS57157MA
UNTERLEGSCHEIBE
44
BS56255
45
BS311257-884
46
BS311209
47
BS300303MA
SCREW,.25X.75X.51HHWA
48
BS1341
49
BS311331
Gestione della qualità
Aiutaci a migliorare il nostro sito. Informaci se trovi un errore.