.it
Benvenuti
Contatti
Spedizione
L’azienda
Guest book
Condizioni e Privacy
Catalogare
Tagliare, profilare
Componenti per motore
Officine meccaniche
Parti e componentistica per macchine varie
Forestali
Articoli elettrici
Articoli invernali
Cinghie trapezoidali e relative pulegge
Filters
PEZZI DI RICAMBIO
Sprocket Rims
Guide Bars
Chainsaw Chains
Search by Part Number
Diagrammi ed elenchi
Servizio
Determine Chain
Ricerca
Il mio account
Registrati
Log in
Settings
DE
EN
FR
ES
IT
Desktop
Murray 425002x99A - B&S/ 42" Lawn Tractor (2003) (AAFES) Steering Ricambi
Start
Murray
Rasen- und Gartentraktoren
425002x99A - B&S/Murray 42" Lawn Tractor (2003) (AAFES)
Steering
Steering 425002x99A - B&S/Murray 42" Lawn Tractor (2003) (AAFES)
Posizione
Articolo numero
Descrizione
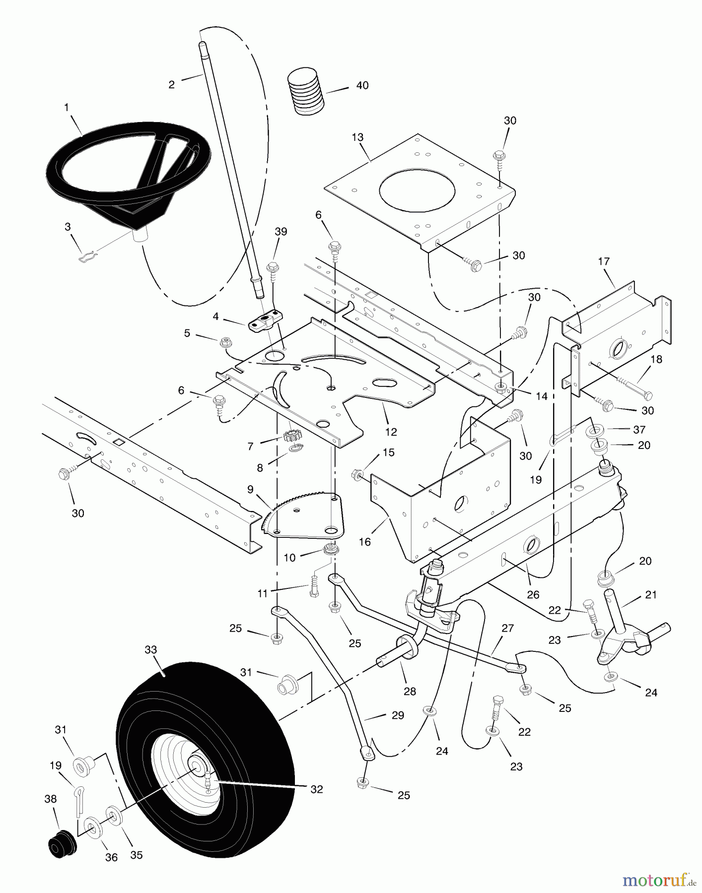
1
BS094134MA
LENKRAD 3SPOK
2
BS690337MA
STEERING SHAFT ASSY L
3
BS094131MA
FEDERARRETIERUNG
4
BS094124MA
LAGER - UNTEN
5
BS15X111MA
MUTTER.31-18 FLANSCHVERSCHLUSS
6
BS009X57MA
BOLT-SHD.38-16X1.10
7
BS690183MA
GEAR - PINION
8
BS011X25MA
SPRENGRING/SEEGERRING .591D -
9
BS094121MA
GEAR - SECTOR
10
BS094123MA
LAGER-SEKTORGETRIEBE
11
BS001X84MA
BOLT,HEX .31-18X1.00
12
BS1001121E701MA
PLATE STEERING MOUNTI
13
BS094006E701MA
PLATE, ENGINE
14
BS015X88MA
NUT,CENTERLOCK Z .3
15
BS15X118MA
MUTTER.31-24 FLANSCHVERSCHLUSS
16
BS1001270E701MA
BRKT - REAR HANGER
17
BS094007E701MA
AXLE, HANGER
18
BS01X146MA
BOLT-HEX.31-24X2.75 P
19
BS030X49MA
PIN-COTTER.13D-1.25L
20
BS690150MA
BEARING - SPINDLE (LT
21
BS094576E701MA
SPINDLE ASSY LH
22
BS01X111MA
BOLT-HEX.37-16X1.50 Z
23
BS710083MA
UNTERLEGSCHEIBE FLACH
24
BS017X53MA
WASHER.41.82 16G FLT
25
BS015X84MA
MUTTER, CENTERLOCK .38-
26
BS1001460E701MA
FRONT AXLE W/FITTINGS
27
BS095329E701MA
ANSCHLUSSVERBINDUNG LINKS
28
BS094575E701MA
SPINDLE ASSY, RH
29
BS095328E701MA
ANSCHLUSSVERBINDUNG RECHTS
30
BS26X249MA
SCREW-.312-18X.75
31
BS491334MA
BEARING WHEEL SET
32
BS024373MA
VENTIL STM&CP,TR41 SE
33
BS091912MA
15X6. REIFEN/RASEN SE
--
BS407047MA
INNENROHR,15X6 SE
34
BS094579601MA
WHL 15X6 TSII W/FIT
35
BS17X195MA
UNTERLEGSCHEIBE
36
BS17X192MA
UNTERLEGSCHEIBE.75-1.3-.07FLT
37
BS17X113MA
WASHER.76-1.2 13G FL
38
BS094618MA
HUB CAP
39
BS26X267MA
SCREW 5/16-18
40
BS092059MA
BALG/BALGE