.it
Benvenuti
Contatti
Spedizione
L’azienda
Guest book
Condizioni e Privacy
Catalogare
Tagliare, profilare
Componenti per motore
Officine meccaniche
Parti e componentistica per macchine varie
Forestali
Articoli elettrici
Articoli invernali
Cinghie trapezoidali e relative pulegge
Filters
PEZZI DI RICAMBIO
Sprocket Rims
Guide Bars
Chainsaw Chains
Search by Part Number
Diagrammi ed elenchi
Servizio
Determine Chain
Ricerca
Il mio account
Registrati
Log in
Settings
DE
EN
FR
ES
IT
Desktop
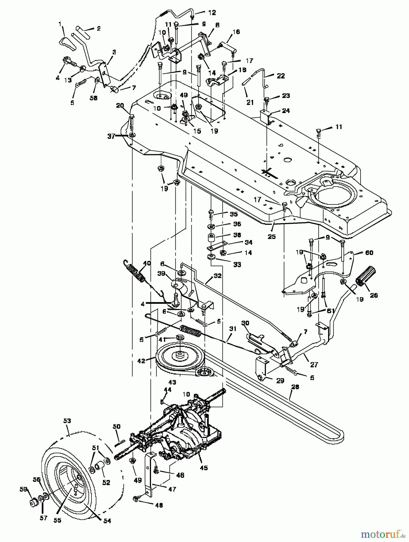
Murray 40717A - 40" Lawn Tractor (1997) Motion Drive Ricambi
Start
Murray
Rasen- und Gartentraktoren
40717A - Murray 40" Lawn Tractor (1997)
Motion Drive
Motion Drive 40717A - Murray 40" Lawn Tractor (1997)
Posizione
Articolo numero
Descrizione
1
BS092697MA
GRIP - .50 ID - BLACK
2
BS
Eingangswelle UE 600
3
BS092031SEMA
SHIFT HANDLE ASS'Y
4
BS009X39MA
ANSATZBOLZEN .38-16 X .
5
BS030X20MA
PIN-COTTER.09D-.750L
6
BS17X472
7
BS021920ZMA
JUSTIERMUTTER
8
BS92043E701
9
BS091754MA
SCREW,GUIDE 5/16-18 Z
10
BS015X84MA
MUTTER, CENTERLOCK .38-
11
BS26X249MA
SCREW-.312-18X.75
12
BS091877
13
BS0020X1MA
SCHEIBE.66.98X01 SPR
14
BS015X87ZMA
NUT.38-24 CENTERLOCK
15
BS017X45MA
WASHER,FLAT .33 1. 16
16
BS092085
17
BS26X249MA
SCREW-.312-18X.75
18
BS091899 Z
19
BS015X79MA
NUT.31-18 FLANGELOCK
20
BS01X124
21
BS092724
22
BS91727E701
23
BS26X214MA
SCREW HEXHEAD TAP.
24
BS91825E701
25
BS092815F200
26
BS021544MA
CLUTCH & BRAKE PEDAL
27
BS91862E701
28
BS037X61AMA
29
BS091713E701MA
BREMSPEDAL
30
BS917122
31
BS165X82MA
SPRING-EXTENSION
32
BS918082
33
BS17X148MA
UNTERLEGSCHEIBE.38 SQ 1. 16G F
34
BS092041 Z
35
BS01X145MA
BOLT,HEX.25-28X0.75 Z
36
BS018X32MA
WASHER.25.48X.07 SPLI
37
BS017X37MA
WASHER,FLAT .26.62
38
BS091889MA
FUHRUNGSZAPFEN
39
BS092737ZMA
LEITROLLE HALTERUNG. ASSY
40
BS165X76SEMA
ZUGFEDER
41
BS0011X7MA
SPRENGRING/SEEGERRING.625D.035
42
BS091807
43
BS091179MA
IDLER PULLEY-B'SIDE
44
BS020697MA
WOODRUFF KEY #9
45
BS
Eingangswelle UE 600
46
BS002X64MA
BOLT-CRG.31-18X0.75
47
BS91804E701
48
BS26X216MA
SCREW-THREAD FORMING
49
BS015X88MA
NUT,CENTERLOCK Z .3
50
BS021553MA
VIERKANTSCHLUSSEL- 3/16
51
BS17X160MA
WASHER.76-1.2 16G FL
52
BS690553ZMA
SPACER
53
BS091914MA
18X9.5 TIRE/TURF SE
--
BS407049MA
INNER TUBE-18X9.5 SE
54
BS092289601MA
18X9.50 RAD MONTAGE II
55
BS024373MA
VENTIL STM&CP,TR41 SE
56
BS17X195MA
UNTERLEGSCHEIBE
57
BS0011X3MA
RING,E .750D .050T
58
BS17X532
59
BS094618MA
HUB CAP
60
BS092694E701MA
RIEMENFUHRUNGSBLECH
61
BS020619MA
FUHRUNGSSCHRAUBE
Gestione della qualità
Aiutaci a migliorare il nostro sito. Informaci se trovi un errore.